本文参考自:ISO/DIS 14229-1
一. OSSI模型与汽车诊断模型
注:OSI的全称是开放系统互连反应模型,也称为开放系统互连参考模型。

- 应用层:诊断服务
- 制造商定制表达式层(数据交换格式)
- 会话图层的一部分: UDS 会话图层
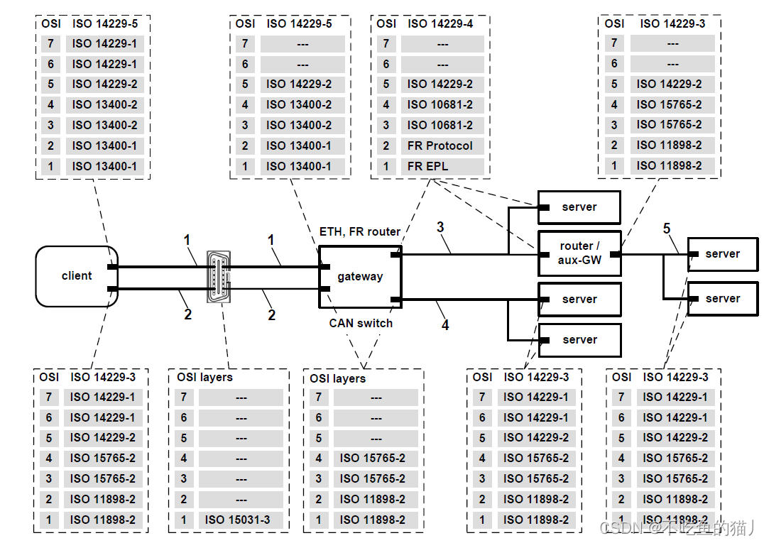
- Docan、DoFR和DoIP是传输和网络层协议。
- CAN、FlexRay和DoIP是数据联系和物理层的例子。
二、UDS简介
统一诊断服务(UDS)是指统一诊断服务。
UDS主要负责为诸如自动传输箱、防排制动系统等电子车辆控制单位提供通用诊断功能。
综合发展服务不仅包括诊断服务的一个组成部分,而且还包括各种传播方式标准和互动结构、数据格式要求、特定诊断服务等等。
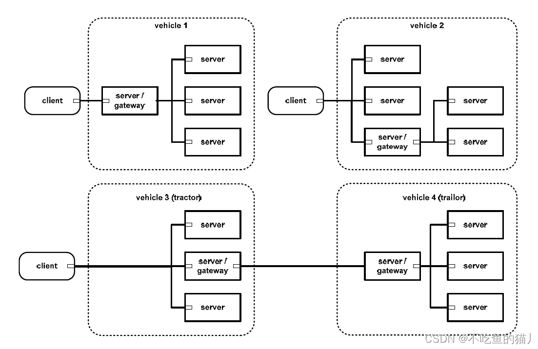
三. 汽车诊断结构就是一个例子。


四、应用层服务
(1) 应用级别服务介绍
诊断服务是应用级服务的另一个名称,用于基于客户服务器的系统,为车载服务器提供测试、测试、监测或诊断操作。
客户(又称外部测试设备)使用应用级服务,要求在一个或一个以上的服务中实施诊断功能。
这项服务(通常是ECU的一部分)使用应用级服务,将反应数据(由要求的诊断服务提供)反馈给客户。
(2)通用服务原语
在同一开放系统中向一个实体(N+1)提出服务请求时,服务消费者与服务供应商之间发生互动,这被称为原始服务语言。
诊断应用级服务接入点提供多种服务,具有相同的共同结构,每个服务单元分配六个服务单元。
- 服务请求开源器
- 服务请求和缴款(服务请求 -- -- 确认原语文)入门书
- 服务索引开源器(也称为服务标识符)
- 服务响应开源器
- 服务响应和贡献初级读本(服务响应--确认原语文)。
- 一种语文 一种语文 一种语文 一种语文 一种 一种 一种 一种 一种 一种 一种 一种 一种 一种 一种 一种 一种 一种 一种 一种 一种 一种 一种 一种 一种 一种 一种 一种 一种 一种 一种 一种 一种 一种 一种 一种 一种 一种 一种 一种 一种 一种 一种 一种 一种 一种 一种 一种 一种 一种 一种 一种 一种 一种 一种 一种 一种 一种 一种 一种 一种 一种 一种 一种 一种 一种 一种 一种 一种 一种 一种 一种 一种 一种 一种 一种 一种 一种 一种 一种 一种 一种 一种 一种 一种 一种 一种 一种 一种 一种 一种 一种 一种 一种 一种 一种 一种 一种 一种 一种 一种 一种 一种 一种 一种 一种 一种 一种 一种 一种 一种 一种 一种 一种 一种 一种 一种


(3)服务原语格式







当地语言的服务格式需要数据的类型和大小,此处不加以讨论,详情见标准手册。
五、应用层协议
(1)一般定义
应用层协议应始终是经确认的电文传输,这意味着对于客户收到的每一项服务请求,服务器应发出一个或多个相关答复。
这一规则的唯一例外是,在使用功能位置或指定请求/指标时,不应产生回应/确认;为防止系统因不想要的信息而负担过重,在某些情况下,即使要求的诊断服务没有由服务器完成,也不应提供否定答复。
申请级协议将与参与人级协议同时处理。这意味着,即使客户仍在等待对事先请求的答复,它还应保持适当的会期时间层。(如果有必要在其他服务器上开放诊断会话,请这样做。 )这个故事是我们对2011年埃及抗议的特别报导的一部分。实现取决于所使用的数据链层)。
(2) 礼宾数据模块要求



缩写介绍:
- A_PDU 应用程序层协议数据模块 A_PDU
- A_SDU(应用玩家服务数据股)是应用程序玩家服务数据股的简称。
- A_PCI 应用层协议控制单位
- A_Data 是每个应用层独有的字节数据字符串。
- 服务( 服务标识符)
- 负服务参考/委员会(NR_SI)是用于负服务响应/确认的具体参数。
(3) 服务识别服务编号,SI

(4) 服务反应不良/确认语言
在每个诊断服务的信息中都给出了否定答复/拒绝确认信息。

(5) 服务器响应合规规则





六、服务描述的约定
(1)请求报文


Cvt代表《公约》。
- M是强制性的,必须存在
- C表示在某些条件下
- 说明是必需的,可从引数列表中选择。
- U 表示用户定义、现有或不存在。
(2) 界定需要提交文件的分功能参数。


特定参数值为 1-6, 位置 7 抑制肯定响应信息( 当位置 7 为 1 时, 服务没有响应 ) 。
本文由 在线网速测试 整理编辑,转载请注明出处,原文链接:https://www.wangsu123.cn/news/24324.html。