最后更新:2022-05-16 02:09:14 手机定位技术交流文章
I2C协议已被广泛使用,但在硬件设计中,它基本上是电路的重复,没有掌握其推理和复杂性,本章说明必须如何开发I2C电路。
I2C客车(综合电路客车)最初由Philips半导体(现由NXP购买)设立,经营双向客车线路,NXP目前正在购置。它经常被用来将微控制器与外部世界联系起来。应当指出,国际电算中心的设计是为了与低速技术进行通信。因此,国际投资中心的传输率低于消费物价指数的传输率。
为了支持一个或多个主要连接, I2C 只需要两条线。I2C使用两条双向泄漏线。和地球其他部分一样上出版的抗药性大小和最低价值都有限。具体计算请参考:
电阻是使用IIC计算的。
I2C 因为OD门在内部这就是为什么我们必须切断电力!!!
上下抗药性的经验价值如下:
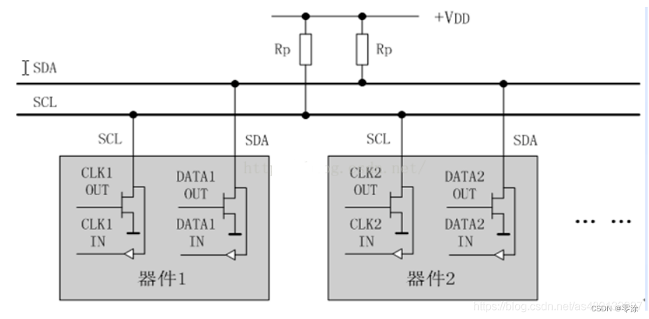
如下图所示, 多器件相连接时,剩下的就是把匹配的SCL和SDA连接起来那么,主装置如何与其他装置连接?每个 I2C 设备都包含一个设备地址选择单元 。为每个装置设置设备地址,使其能够与有关设备发生互动。
开放排减量是投入/产出的高障碍,可独立投入/产出,低水平和高耐力,如果需要高水平电力,外部拉动是必要的。
高抗力: 高抗力是三州电路的状态。 逻辑门的输出是高低状态之外的, 还有第三个状态―― 高压门路。
我们知道,国际独立调查委员会的所有设备都与公共汽车相连,所以我们往往只与其中的少数通信;但如果其余设备可能受到公共汽车或公共汽车的干扰呢?
为了避免干扰公交车信号,国际独立调查委员会的闲置状态只能从外部拖上,当闲置装置被拖入高度耐力状态(类似于路况中断)时,整个国际独立调查委员会的公交车只能与活动装置适当沟通,不会干扰其他设备块状干扰公交车信号,国际独立调查委员会的闲置状态只能从外部拖上,当闲置装置被拖入高度耐力状态(相当于路况中断)时,整个国际独立调查委员会的公交车通常只与激活装置通信,不会干扰其他设备。
IIC装置地址:为每个IIC装置指定了一个装置地址。一些装置地址是制造时预先编程的。例如,用户不可更改。 OV7670 的地址是 0x42 。某些装置,如EPROM,前四个地址的号码是1010硬件连接决定最后三个地址 。因此,三氯环乙烷公共汽车可能连接到多达8个EEPROM芯片。
在数据传输期间,I2C总线产生三种信号:启动信号、终端信号和响应信号。
需要启动信号,最终信号和响应信号可能被拒绝。
本章涉及硬件设计,软件协议简单明了。
IIC主要特点:
一般而言,控制时钟线(即关键设备是SCL功率水平变化)的基本人。
AT24C0X是标准IIC协议装置成本低,大部分板卡都会带。这也是一个基本的。 需要注意的是,设备地址使用 A0 A1 A2 管脚配置。该工具的地址由三人组成,号码为八位数。因此,我们可以安装8台AT24C0X装置。WP7曾写过关于保安的报导。 将这个管脚拉低,是关闭写保护,这个工具的通信率不高4个,7个K正在拔掉插头
本文由 在线网速测试 整理编辑,转载请注明出处。