最后更新:2022-05-17 02:42:21 手机定位技术交流文章
这是个人笔记,文章是关于基本方法的,强调项目记录只是个人笔记。
最后,所有信息图表和方案都以资源形式公布。
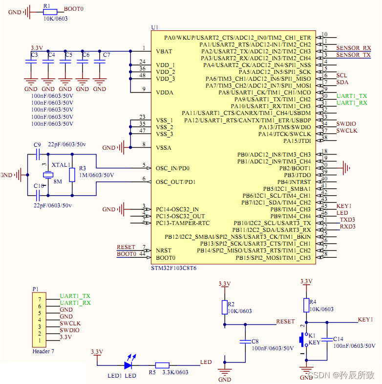
单一感应器的硬件仍然很简单:
1. STM32L051和STM32F103相互兼容。
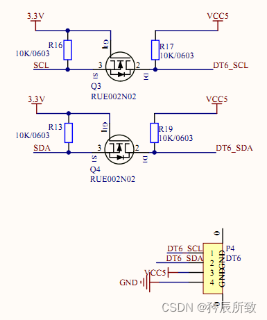
2. I2C接口由发往其他地方的温度使用,使用软件I2C,因为D6T由5V提供,因此使用水平转换器电路。
3. 由于实际环境限制,整个传感器项目需要485次通信。
与往常一样,最简单的系统是相同的:

采用了电路,文献载有详细的实现原则和更平坦的电路:
让我们讨论声到音的电路, 结合真实的声到音的电路(通常用来总结音到电的电路)。

电力工业方案有几种类型。
讨论实际使用的电转换电路,以及一些从一个地点向另一个地点的过渡。
硬件部分是基本部分,该项目的核心是软件实施,其核心有两个部分:
1 I2C 通信控制器;
有2 485名通信司机。
此处调用的职能详述如下:
由于这个传感器是485个机器驱动的设备, 您必须创建 ModbusRTU 协议驱动程序; 这里没有墨水, 直接源代码在 :
上述两个驱动因素是该项目的核心;其他组成部分,STM32和其他基本关键驱动因素,以及LED等功能与以往项目基本相同。
实际上,当我记录FreeRTOS的例子时,我用这个项目作为插图,因此设计概念和细节在原案文中详述如下:
(x, FreeRTOS 通过 I2C 通信支持 ModbusRTU 协议)(已完成)
当然,这种单体感应器的简单部件 和RTOS的真正使用并不不同。
本片记录就到这里。
STM32 非接触温度传感器项目详细信息
本文由 在线网速测试 整理编辑,转载请注明出处。