最后更新:2021-10-10 19:24:41 手机定位技术交流文章
该网络的主要职能如下:
。当一个组在路由器中到达输入链接时,路由器必须将该组转到正确的输出链接。
二楼,二楼,二楼,二楼,二楼,二楼,轮廓选择。当组群从发件人发送到接收方时,网络层必须确定这些组群将走的路线或路径。
这样可以将选择路线视为网络层,为通过相关控制算法传输分组数据提供最佳途径,该算法可理解为一旦选择路径后将执行的转发动作。

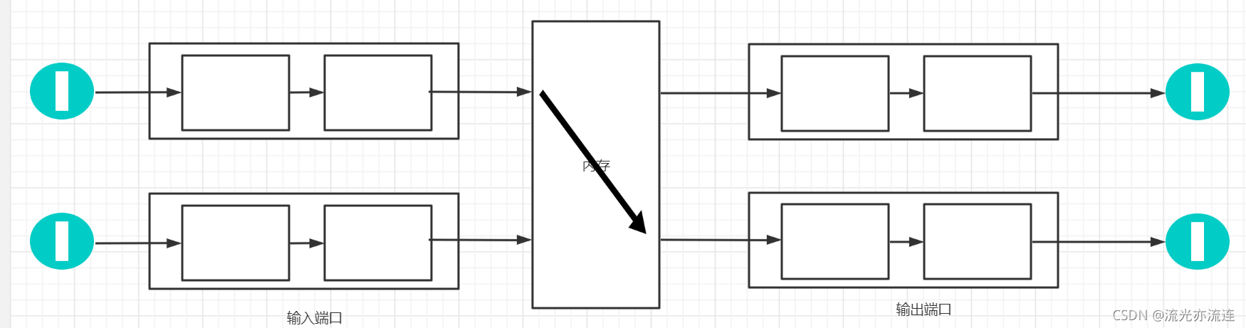
路由器由下列四个部分组成:
输入港在路由器中进行物理层操作,完成物理连接;与位于链路远端的数据链层进行互动;并履行搜索路线转换功能。
二楼,二楼,二楼,路由选择处理器:上述路由路由路由处理器在路由器控制平面上公布。通常,控制平面不是放在路由器中,而是在遥远的处理器上操作,并通过选择处理器与路由器互动,例如,举例来说,我们必须说,我们已经通过使用向日葵软件控制另一台计算机完成了被告计算机的操作。因此,我们自己的计算机就像远程处理器,向日葵软件就像路由器,计算机被指责像路由器一样。
3.交换结构
交换结构将路由器的输入端与输出端连接。 路由器是这种交换结构的完整特征。
4.输出端口
当连接是双向连接时,输出端通常出现在与输入端口相同的行卡上,它节省了从交换结构中接收的集群,并通过执行所需的链条和物理层功能将其沿路发送。
(1) 在从链层接收集束数据时,路由器根据有关协议删除数据报告,然后利用由输入端口确认的储存在转发端表中的有关数据,找到适当的数据端口。
(2) 路线选择处理器需要根据目的地地址确定链接退出,数据从路由器输入端口导出。目的地地址和链接接口之间的通信将保存在遥控平面转发表,我们可以从中找到我们从哪个端口。

特定传输路径由遥控平面确定,以计算每个链条的集束数据传输成本,由图表中的相关算法(与加权地图相仿的最佳路径)以最佳路径传输。
(3) 在确定交换港之后,数据组将通过交换结构转移到产出港。
输入港与输出港之间的数据交换在CPU的直接监督下以流形式进行, 类似于标准IO业务。
当一组到达输入端口时, 它首先会向路由器选择发送中断信号, 然后给处理器的内存指定一个值。 路由器然后从组中提取相关目的地地址, 确定转发表中合适的输出端口, 并将组值指定为目标输出端口的缓存 。

这种方法效率较低,因为共享系统的主线只能一次进行一次输入/产出操作。
二楼,二楼,二楼,二楼,二楼,二楼,Bus开关。输入港的数据将通过公交车直接发送到输入港,取消路由器参与的要求。
程序如下:输入端口对组数据应用内部标签,内部标签识别匹配输出端口,然后将组数据传送到所有输出端口,但只有内部标签中显示的预期输出端口可以保存该组,一旦组保存,则删除内部标签。

因此,路由器的开关带宽在公共汽车上受到费率限制,因为只有一个分组可以一次绕过公共汽车,迫使其余的公共汽车等待。
这是我这辈子第一次见到一位女士。一个更复杂的互联网网络被用来克服这个问题,因为前两种技术仅限于公共汽车容量。

如图所示,横线和纵线的交点是一个交换结构的控制器,能够在任何时候开启和闭合,已达到控制数据分组输入和输出的目的。如图所示,A->X和B->Y之间是互不影响的,因此效率会大大提高。
(4) 当组数据被发送到输出端口时, 输出端口保留队列, 以便处理到达输出端口的数据 。
队列通常从三个选项中选择一个:
2011 FIFO 排在队列中:与传统的队列结构一样,队列中的第一个在前列组的第一个在排在队列中第二个之前处理。如果队列能力不足以接收到的组群,则需要按照适当的策略拒绝部分组群数据。

二楼,二楼,二楼,二楼,二楼,二楼,二楼。

循环加权股权队列:抵达数据分为一大组,每个大组的先到数据轮流。 举例来说,我们将抵达数据分为两个大组,一个按抵达顺序排列,一个按抵达顺序排列,一个按组、一个按组、一个按组、一个按组、一个按组、一个按组、一个按组、一个按组、一个按组、一个按组、一个按组、一个按组、一个按组、一个按组、一个按组、一个按组、一个按组、一个按组、一个按组、一个按组、一个按组、一个按组、一个按组、一个按组、一个按组、一个按组、一个按组、一个按组、一个按组、一个按组、一个按组、

随着 " 队列 " 规模达到极限,必须采用两个主要战略之一来处理抵达群体:
这篇文章是2011年埃及抗争特别报导的一部分。 放下尾巴。 也就是说, 放弃最后一批即将到来的人。
二楼,二楼,二楼,二楼,二楼 最早发现兰多姆,即丢弃一个以前没有利用过的群体
本文由 在线网速测试 整理编辑,转载请注明出处。