最后更新:2021-10-16 01:42:30 手机定位技术交流文章

一图看完本文

计算机网络架构

计算机网络架构
在分层模块上, TCP/IP 和 OSI 之间有明确的区别。 OSI 参考模型侧重于“ 通信协议需要什么功能 ”, 而 TCP/IP 则侧重于“ 执行计算机协议应该写什么程序 ” 。
这个故事是我们对2011年埃及抗争的特别报导的一部分。
从字面上来说,人们可能认为TCP/IP既指TCP协议,也指IPIP协议。 偶尔,两种类型的协议在现实生活中都被指,也是真实的。 然而,在许多情况下,必须使用IP进行互动的只是一揽子协议的一般名称。 具体地说,IP或IPCMP、TCP或UDP、TELNET或FTP以及HTTP都是TCP/IP协议。
当互联网互动时,需要适当的网络协议,TCP/IP最初设计为使用互联网的用户,TCP/IP是互联网协议。

网际协议群
2. 数据包
包件、框架、数据集、段和电文都是可以使用的术语。
上述五个字用于说明提供数据的单位,大致分类如下:
包件可称为包罗万象的短语。
框架用于代表数据链层中层中的单位。
数据包是指在IP和UDP以上网络层中进行调解的单位。
TCP数据流中的信息以图表表示。
协议中的数据应用单位称为电文。
在每层中,第一部分附于所发送的数据,该数据为该层提供了所需的信息,例如目标地址传送和协议信息。通常,给协议提供的信息是在软件包的开头,而要发送的内容是数据。从下一个层面看,从前一级收到的所有软件包都被视为来自当前水平的数据。

数据包首部
发送到网络的数据包分为两部分:第一部分是拟使用的协议第一部分的一部分,另一部分是从上一层传输的数据,第一部分的结构按协议的特定标准详细叙述,第一部分清楚说明协议应如何阅读数据。
3. 数据处理流程
以下图表显示用户向用户 b 发送消息的用户 :

数据处理流程
① 应用程序处理
最初,应用程序是编码的,这些代码与OSI表达式层功能相对应。
电文在编码后并不总是立即发出,而编码是何时进行通信连接和何时提供数据的管理功能,类似于OSI会话层功能。
处理两个TCP模块
TCP负责根据适当的指示建立连接、传输数据和终止连接。TCP提供从应用层到终端的可靠传输。为了完成这一功能,必须在应用层数据的前端添加 TCP 页头。
3 实施伙伴模块的处理
当 IP 软件包创建时, 控制表的引用路径将定义接受 IP 软件包的路线或主机。 IP 将 TCP 第一部分和 TCP 提供的 TCP 数据合并为自己的数据, 并在 TCP 第一部分的前端添加自己的 IP 页眉 。
4个网络接口处理(由计算机驱动)
来自 IP 的 IP 软件包是 以太网 的数据 。 数据附在 以太网 的顶端并交付处理, 由此产生的以太网 数据包则通过 IP 的物理层传输 IP 软件包发送到接收端 。 数据附在以太网 的顶端并交付处理, 由此产生的以太网 数据包则通过 物理层发送到接收端 。
5个网络接口处理(由计算机驱动)
收到以太网包件后,主机首先从以太网包件的第一部分中确定MAC地址,以确定是将包件交给自己还是拒绝数据。
如果软件包被传送给自己,则按以太网软件包第一部分中的类型确定数据类型,并交给相关模块,如IP、ARP等。
正在处理六个实施伙伴模块。
IP模块接收数据并进行类似的处理。 它确定 IP 地址是否与包件第一部分的IP 地址匹配, 如果匹配, 则根据第一个协议类型将数据传送到相关模块, 如 TCP 或 UDP 。
此外,就路由器而言,接收端地址往往不是其本身的,在对应交付的主路由器或路由器进行调查后,必须使用路线控制表传送数据。
正在处理7个TCP模块。
在 TCP 模块中,首先计算校验和以核实数据是否被删除。然后,检查序列号以确定是否收到数据。最后,检查端口号以查看具体应用程序。在全部收到数据时,将数据转移到按端口号指定的应用程序。
⑧ 应用程序的处理
接收申请表的人立即收到发件人提供的数据,并在处理数据后显示有关内容。
TCP和UDP是TCP/IP的两个典型传输层协议。
TCP是一个连接的、可靠的流量协议。 Flow是不间断的数据结构。 当应用程序使用 TCP 发送信息时,即使发送的顺序可以保证,它似乎在发送到接收端的数据流之间没有差距。 为了提供可靠的传输,TCP使用一种“序列控制”或“再发射控制”机制。
UDP是一个不值得信赖的数据报告协议。 稍有管理,它将留给高层程序完成。 就UDP而言,虽然保证了信息的规模,但无法保证信息会到来。 因此,申请偶尔会根据自己的要求重新发布。
将TCP和UDP的利弊很难和完全加以比较:TCP用于需要在传输层进行可靠传输的情况;另一方面,UDP主要用于通信或广播对高速传输和实时的需求较大的通信,TCP和UDP应用于实现应用目标的需要。
1. 端口号
数据链接和IP地址分别涉及MAC地址和IP地址,前者用于识别同一链条中的各种计算机,后者用于识别TCP/IP网络中相互关联的主机和路由器,在传输层中也有类似地址的概念,即端口号,港口号用于识别同一计算机中不同的通信程序。
这个故事是我们特别报导埃及2011年抗议抗议事件的一部分。
若干程序可以同时在计算机上操作。传输层协议使用这些端口号来识别主机进行通信的应用程序,并适当传输数据。

通过端口号识别应用
这一条是我们特别报道2011年埃及抗议活动的一部分。
仅靠目标港号不足以识别通信。


按港口号、知识产权地址和协议号分列的通信识别
通信1和2由两台计算机进行,两台计算机的目标号码相同,均为80,可按源港口号加以区分。
目标与源端口号3和1相同,但其源IP地址不同。
此外,如果IP地址和港口号相同,我们可以用协议号(TCP和UDP)加以区分。
这是2011年埃及抗争特别报导的一部分。
这一技术也被称为静态方法,这意味着每个程序都有自己的港口号,但这并不意味着可以随时使用任何港口号。 HTTP、FTP、TELNET等常用应用协议中使用的港口号。这些港口号被称为已知港口号,从0到1023不等;除了已知的港口号外,某些港口号已经正式注册,从1024到49151不等,但可以用于任何通信目的。
时间顺序分配技术:服务器必须决定监听端口号码,但接受服务的客户没有。使用这种方法,客户应用程序可以发给操作系统,而不必指定自己的端口号码。动态分配端口号码从49152到65535分配端口分配技术:服务器必须决定监听端口号码,但接受服务的客户没有。使用这种方法,客户应用程序可以发给操作系统,不必说明自己的端口号码。动态分配端口号码从49152到65535不等。
这是2011年埃及抗争特别报导的一部分。
由于端口号是由传输层协议确定的,同一端口号可用于多个传输层。
此外,已知的港口号与传输层协议无关,只要港口是固定的,同样的申请将分配给处理。
2. UDP
联合民主党缺乏广泛的控制机制,而是依靠知识产权提供互不相连的通信服务。
它是一种在收到时将应用程序的数据立即传送到网络的方法。 即使在网络堵塞的情况下,UDP也无法执行交通管理等以避免网络拥挤。
此外,UDP也不负责在传输过程中重新发放丢失的包件。
即使包裹的到货订单被弄乱了 也没有纠正功能
如果以上所列信息是必要的,则必须由一个使用UDP的程序来处理。
UDP经常以下列方式使用:包件较少(DNS、SNMP等)的通信;Multimedia通信,包括视频、音频等。 3. 仅限于局域网等特定网络的通信;4. 广播通信(广播、多广播)。
3. TCP
TCP和UDP之间的差别很大,TCP在数据传输期间完全完成了不同的控制任务,允许在处置期间重新发射控制,还规定了分离分包合同的顺序管理,而UDP没有。
此外,作为一项以连接为导向的协议,TCP只有在证明存在端对端通信的情况下才提供数据,以减少通信交通废物。
根据这些TCP程序(主要是通过测试和测试、序列号、回复确认、重新发射控制、连接管理和窗口控制等机制),还可实现IP这一没有连接的网络的通信互换的高度可靠性。
这是我第一次见到一个女人 13次握手(集中)
TCP为连接传输提供通信服务,连接方向是指在数据通信开始之前为两个目的做准备。
TCP 连接需要客户端和服务器总共三个软件包来确认连接的创建。 在套接字程序程序中,程序由客户执行合同ct 开始 。
这是三个握手的图表:

三次握手
初始握手 : 客户端设置 SYN 到 1 的标志位置, 生成随机值后数 = J, 并将数据包传输到服务器, 服务器在等待服务器确认时进入 SYN_ SENT 状态 。
第二手握手:收到服务器端端的数据包后,标签SYN=1确认客户已请求连接,服务器将符号SYN和ACK设为1,ack=J+1,随机生成值后继=K,并将数据包传送给客户以确认连接请求,服务器处于SYN_RCVD状态。
第三手握:在收到客户端的确认后,检查是否是J+1,ACK 1,如果正确,将ACK标记为1,ack=K+1,并将数据包传送到服务器,检查它是否是K+1和ACK到1,如果正确,连接已经建立,客户端和服务器访问已建立状态,完成三次握手,然后开始客户端与服务器端之间的数据传输。
这是我第一次见到一个女人 2 挥了四波(集中)
当 TCP 连接中断时, 共需要客户和用户验证断开连接的服务提供四个包。 在套接字程序程序中, 程序由客户或服务端执行关闭的用户启动 。
由于TCP连接是全时连接,每个方向都必须独立关闭。 概念是当一当事方完成数据分发工作时, FIN将被派来终止此方向的连接; 获得 FIN 仅仅意味着没有这方面的数据流动, 即不再收到数据, 但是在FIN 向该方向发送数据之前仍然可以传送此TCP连接的数据。 主动关闭将由第一当事方进行, 而被动关闭将由第二当事方进行。
四个波浪的流程图如下:

四次挥手
中断连接可能来自客户端或服务器。
客户端发送了一个 FIN=M 关闭客户端的数据传输到服务器, 客户端输入了 FIN_ WAIT_ 1 状态, 上面写着“ 我的客户端没有数据要发送给你 ”, 但如果您仍然拥有服务器上尚未发送的数据, 您不必关闭连接, 并且可能继续发送数据站客户端发送一个 FIN=M 关闭客户端的数据传输到服务器, 而客户端输入了 FIN_ WAIT_ 1 状态, 上面写着“ 我的客户没有数据要发送给你 ”, 但是如果您仍然拥有服务器上尚未发送的数据, 您不必关闭连接, 您可以继续发送数据 。
第二波:服务器收到 FIN 后, 向客户端发送 ACK = M+1 信息, 表明您的请求已经收到, 但我还没有准备好; 请继续等待我的信息 。 这是客户进入 FIN_ WAIT_ 2 状态, 并继续等待服务器 FIN 信息 。
第三波:服务器认为数据已发送后, FIN=N 信息将发送客户端,告知客户端,我已处理完数据,准备停止连接。服务器将进入 LAST_ACK 状态。
第四波:在获得 FIN=N 信息后,客户知道它可以停止连接,但他仍然不相信网络,并担心服务器不会知道它会关闭,从而将它发送到Time_WAIT 状态,如果服务器没有收到 ACK 状态,它可能会被再次传输。收到服务器端的 ACK 消息后,你知道你可以打破连接突变波:收到 FIN=N 信息后,客户知道它可以停止连接,但他仍然不相信网络,并担心服务器不会知道它会关闭,因此将它发送到Time_WAIT 状态,如果服务器不接受ACK 状态,可以重新传输。在接收服务器端的ACK 之后,你知道你可以打破连接。
前一种情况是一方关闭了自己,另一方被动关闭,事实上也采取了同样的主动行动。
具体流程如下图:

同时挥手
这是我第一次见到一个女人。 3 通过序列号和回复确认提高可靠性。
当发件人的数据到达接收主机时,接收者可以选择返回收到电文的通知。 此电文被称为 ACK 确认。 当发件人发送数据时,它等待对最终回复的确认。 如果回复得到确认, 它显示数据已成功到达适当的端口。 另一方面, 数据很有可能丢失 。
发送者可以假定数据丢失并重新发布,而不必等待在具体时限内作出答复,因此,即使软件包被销毁,也有可能确保数据到达预定接收者手中,并可靠地发送。
没有经过核实的答复并不一定意味着数据已经丢失,还可能对应方已经收到数据,但返回的确认答复在途中丢失,这种情况还可能导致发送者错误地假定数据没有到达目的地,数据将重新发布。
此外,还有其他一些因素可能导致延迟收到经核实的答复,以及在源主机重新发布数据后大量抵达,此时,源主机可以简单地按照程序重新分配数据。
重复接收同一数据对目标主机来说是不可取的,为了能够可靠地传输高级应用软件,目标主机必须放弃重复的数据包,为此增加了序列号。
序列号是提供数据的每个字节(8位)的编号,接收端询问TCP接收数据的初始部分数据的序列号和数据长度,并提供应作为确认答复收到的序列号。

序列号和确认应答
这是我这辈子第一次见到一个女人。
重发超时是指在重新发布数据之前验证答案的具体时间间隔。 如果在此期限内没有收到确认的答复, 发送者将重新发送数据。 理想的情况是, 规定一个最短时间可以保证“ 承认的答复必须能够在此期限内返回 ” 。
TCP 需要高性能通信,不受网络环境的影响,并且无论网络拥堵的变化如何,都必须保留这种身份。 为此,TCP 计算每次放电时的返回时间和偏差。 加上往返旅行的时间和偏差的时间,加班时间略高于这一总数。
BSD Unix 和 Windows 系统中的超时时间设定为 0.0%. 单位控制为 5 秒, 所以每秒都超时。 五秒整数。 但是, 初始再增强的默认值通常设定在 6 秒左右 。
如果在数据重新发布后没有收到经核实的答复,则重新发送数据。此时,等待确认答复的时间延长2或4倍于指数函数的次数。
此外,数据不会无休无止地反复重发。 如果达到特定次数的重复,如果没有收到确认的答复,将确定网络或终端主机有异常情况,并被迫终止连接。
这是我这辈子第一次见到一个女人。 5 在段落中提交信息。
在连接TCP时,可以确定交付包件的单位,我们也可以命名为“最大电文长度 ” ( MSS ) 。 最好是最大电文长度是IP的最大数据长度,不会以碎片方式处理。
TCP分发大量数据,其分布方式与管理支助科的规模不同,分布方式也与管理支助科不同。
在两个终端主机之间用三次握手来计算 MSS 。 在进行连接请求时, 两个终端主机将在 TCP 的第一部分写入 MSS 选项, 告诉对方其界面的大小, 以便适应它。 然后在两者之间选择一个较小的数字, 以便使用 。
这是我一生中第一次见到一个女人。 6 利用窗户调节速度增长。
TCP用一个段落来确认答案,一个段落用于转发的段落,这种传输方式的一个不利之处是,包裹旅行时间越长,通信性能就越低。
为了解决这一问题,TCP采用了窗口的概念,确定答复不再在每个分段中得到确认,而是在一个较大的单元中得到确认,传送时间会大大缩短,即发件人的主机不必等到收到一段答复后才确认,而是继续发送。

窗口控制
窗口大小是指无需等待回答确认即可交付数据的最大值。上图中的窗口大小为四段。这一技术通过向多个部分同时发送识别回复,获得了使用大量缓冲区的能力。
这是我这辈子第一次见到一个女人 7 幻灯片窗口控制

滑动窗口
上窗口中的数据即使没有收到任何经核实的答复,也可以发送上窗口中的数据,然而,发件人仍然负责将确认的答复部分在到达前丢失后在整个窗口中重新发送。为此,发件人主机必须设置缓存以保留数据,直到收到确认。
幻灯片窗口外的区域包含未发送的数据和末端收到的确认数据。当数据在不重新释放的情况下交付后及时收到确认的答复时,数据可以从缓存中删除。
如果对响应进行校验, 窗口会滑至序列号在回答中的位置。 这样可以让多个段的顺序分布提高通信性能。 这一技术也不会被称为幻灯片窗口控制 。
这是我一生中第一次见到一个女人 8 窗口控制中反应控制器
当使用窗口控制时, 投放软件包通常会被分隔为两种情景 :
1 确认没有回复,在此情况下,数据已抵达目的地,无需重新发布如下:

部分确认应答丢失
2 某一段落的丢失。如果接收者收到除应接收的序列号以外的数据,则该接收者将返回迄今收到数据的答案。 如下图所示,当某一段落缺失时,发送者将始终收到序列号为1001的确认答复,这样当窗口更大且报告期间丢失时,对同一序列号的确认答复将重复重复和重复。如果发送者主机连续三次收到相同的确认答复,相应的数据将重新发布。这个机制比前面提到的超时管理更有效,因此也被称为高速重新发射控制。

高速重发控制
IP (IPv4, IPv6) 对应于 OSI 参考模型的第三层- 网络层。 网络层的主要目的是“ 完成终端节点之间的通信 ” 。 这种通信也被称为“ 点对点通信 ” 。
下一个网络层-数据链层的主要目的,是提供与数据链接相互连接的节点之间的包件。如果跨越了几个数据链接,则有必要访问网络层。网络层可能跨越不同的数据链接,甚至实现两个节点之间关于单独数据连接的包件传输。
IP分为三个主要行动模块:IP地点、路线(传送到终端节点)以及IP分包和分组。
1. IP 地址
本文是埃及20111年抗议的独家报导。
在计算机通信中必须注明与地址相类似的识别码,以便识别通信的对面端,数据链接中的MAC地址是用于识别同一连接的各种机器的识别码。
在网络一级,也有这种地址信息,通常被称为IP地址。IP地址用于“确定连接网络的所有主机的通信目标地址”。因此,TCP/IP通信中的所有主机或路由器都必须设置自己的IP地址。
主机的 IP 地址 的 形状, 不论它连接到何种数据频道, 都会 保存 。
IP 地址 (IPv4 地址) 代表 32 正整数值。 在计算机中, IP 地址以二进制方式处理 。 但是, 由于我们不习惯二进制方法, 我们有一个由八人组成的32位位位 IP 地址, 分成四组, 每一组由“ ” 。 每个数组分开, 将其转换为小数点整数, 如下 :

2 IP地址由两部分组成:网络识别和主机识别。
网络识别符配置为数据连接的每个部分的不同值。 Network 标记必须保证每个相互关联的部分的地址不会重复。 同一段中的连接主机需要相同的网络地址。 IP 地址的“ 主机 ID” 不允许在网络的同一部分重复。 因此, 每个主机的IP 地址在整个网络中不会重复 。

IP地址的主机标识
下图说明IP包如何使用目的地 IP 地址的网络识别符传送给正在过境的路由器。即使不看主机识别符,一旦发现它是否是网络部分的主机也是可行的。

IP地址的网络标识
这是2011年埃及抗争特别报导的一部分。
它根据IP地址的位元列将网络识别与主机识别码从第一至第四位分隔开来。
IP 位址是“ 0” 开头的首个地址。 从第1到第8个地址是其网络身份。 如果是小数点, 则以小数点为小数点 。 这篇文章是我们2011年埃及抗议活动特别报道的一部分 。 127. 这篇文章是我们2011年埃及抗议活动特别报道的一部分 埃及抗议活动2011. 0 是一个A级的网络地址。 24位后A 地址与主机身份相对应。 因此, 网络部分最多可以容纳的宿主地址是 16, 777,214 。
B类IP地址是前两个“10”地址。 从第1到第16个地址是其网络识别。 在小数点中,128. 这篇文章是我们2011年埃及抗议的特别报道的一部分。 0 是B类的互联网地址。 B类16位后B地址与主机识别地址相对应。 因此,网络中可容纳的最多主机地址是65,534个。
C类IP地址是前三个“110”地址。 从第1次到第24次是网络识别。 在小数点到第192.
D类IP地址是“1110”的前四个地址。 从第1位到第32位是其网络识别。 在小数位中, 224。 这篇文章是我们2011年埃及抗议的特别报道的一部分。 D类地址没有主机识别码,经常用于覆盖。
在指定 IP 地址时, 关于主机 ID, 有需要记住一些 。 也就是说, 如果您想要使用一点来识别主机地址, 它不应该全部为 0 或全部为 1. 因为所有零 只有在相应的网络地址或 IP 地址不可用时才使用 。 而主机, 全部为 1 通常是一个广播地址 。 这两种情景都应排除在发行过程之外 。 这就是为什么 C 类地址最多为 254 (28-2 = = = ) 的原因 。
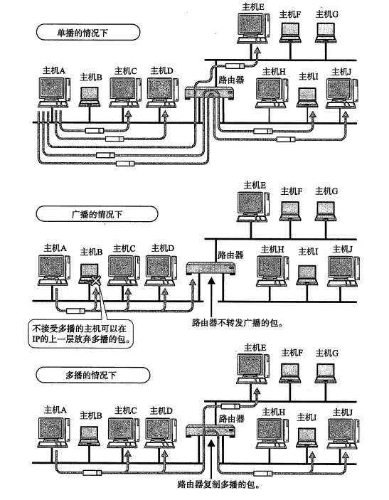
1.4 广播地址
广播地址用于在同一链条主机之间传输数据包。 它将IP地址的所有主机地址部件转换为 1, 并成为广播地址 。
广播分为两类:地方广播和直接广播;地方广播在网络内广播;直接广播在网络之间广播。
1.5 IP 多播
多播放所有将软件包传送到特定组的东道主。 没有可靠的传输, 因为它直接使用 IP 地址 。
与广播不同,它既能够穿透路由器,又能够只完成向这些群体分发数据包的必要工作。

IP 多播
使用 D 类 地址的多播。 因此, 如果第 4 个是“ 1110 ”, 它可能被视为多播地址。 其余 28 个位子可以是多播组号 。
此外,对于多广播,所有主机(除路由器和终端之外)都必须分配给224台。 这篇文章是我们2011年埃及抗议特别报道的一部分。 第1组,所有路由器必须分配给224台。
1.6 子网掩码
当前 IP 地址的网络识别和主机识别不再局限于地址类型,而是一个由子网络网络地址细分的名为“ 子网络遮罩” 的识别代码网络,小于 A、 B 和 C 类。 这个方法实际上是一种机制,用于将原A、 B 和 C 类的主机地址部分用作子网络地址,这可能会将原网络分成许多物理网络段。
如果在二进制模式中显示, 子网遮罩同样是一个32位数的数字。 它相当于所有 IP 地址网络标识符的“ 1 ” 和所有 IP 地址主机的“ 0 ” 。 因此, IP 地址不再局限于自己的类别, 而是可以使用这样的子网遮罩自由定位其网络识别长度 。 当然, 子网遮罩必须是第一个以连续的“ 1” 开头的 IP 地址 。
目前以两种方式显示子网遮罩。 第一种是用两个不同的行显示子网遮罩的IP地址。 By 172 - 哦,我的天哪。 哦,上帝,这就是它的全部。这就是全部。前26个地点是互联网地址的样本,如下:

第二点表明,在每个实施伙伴地址之后添加一个网络地址的地点数目由斜线分隔,如下所示:

2. 路由
用于传输软件包的地址是网络级地址,即IP地址。然而,仅提供IP地址不足以在正确尾端向目标地址交付数据包,而且在整个数据传输过程中也需要类似于“指定路由器或主机”的信息,才能将其实际发送到目标地址。此信息保存在路线控制表格中。
路线控制表以两种方式建立:由管理员手工制作,由路由器与其他路由器交流信息自动制作,前者也称为静态路线控制,后者称为动态路线控制。
IP协议一直认为路线表是有效的,但IP没有具体规定创建路线控制表的协议。IP也没有提供创建路线控制表的方法。这个短语是由被称为“公路协议”的协议创建的。
二楼,二楼,二楼,二楼,二楼,二楼,二楼,1 IP地址和线路管理
IP地址部分用于路线控制。
路由器控制表储存网络地址和路由器应在下一阶段交付的地址。
在发送 IP 软件包时,先确定 IP 软件包 第一部分的目标地址,然后在路线控制表格中发现与地址相同的网络地址的日志,然后将 IP 软件包转发给相关的路由器。如果在路线控制表格中找到同一网络地址的若干记录,则选择最合适的网络地址。

随着IP包的交付,路线控制表被发送。
这是我这辈子第一次见到一位女士 集团和IP分包公司
最大传输单位(MTU)从一个数据链接到下一个数据链接的变化,因为每个数据链接具有不同的功能。每个目的可能携带的MTU有所不同。
每个主机必须正确处理 IP 断层 。 只有在无法同时提供更大的报告时才经常在互联网上处理分类 。
只能由目的地主机在碎片重新组装后才能进行 IP 数据报告 。 操作碎片时不会对路由器进行重组 。
这是我生命中第一次见到一个女人 1。 道路MTU发现
次级机制也有缺陷,例如路由器的处理负担增加,因此,只要允许,路由器就不应将它视为知识产权数据集的一部分。
针对子机制的不足,开发了“路径 MTU发现” 技术。 路径 MOTU 指的是发件人的主机和接收人的主机之间不需要共享的最大 MTU 的大小。 这是路径中所有数据连接中最低的 MTU 。
路径 MTU发现,避免在中间路由器上分割或交付更大的TCP包是可行的。
4. IPv6
IPv6 (伏击 6) 是一个网络间协议,已经建立起来,目的是从根本上克服IPv4 地址耗竭的问题。 IPv4 的地址长度为 4 8 位数,即 32 位数。 IPv6 的地址长度为 128 位数, 通常代表 8 16 位数 。
这是2011年埃及抗争特别报导的一部分。
路线控制表的增长和汇总被发送到实施伙伴。
改进性能。 软件包的头部使用固定值( 40 字节) 而不是初始测试代码。 简化第一个结构, 减少路由器的压力。 路由器不再使用碎片 。
支持侵入函数。 即使没有 DHCP 服务器, IP 地址也会自动指定 。
增加认证和加密功能,以及网络安全功能,以处理假IP地址和封存窃听器的能力。
移动IP成为多播的延伸。
这是2011年埃及抗争特别报导的部分内容。
一般说来,128位位IP地址用16位位的组别来表示,这些组别除以冒号(":")。
此外,如果出现连续 0, 0 就可以被两个冒号(“ ” : : ” ) 拆除和拆分。 尽管如此,只有一个 IP 地址只允许两个连续的冒号。
这篇文章是我们对2011年埃及抗议的特别报导的一部分。
IPv6 与 IPv4 相同,也是 IP 地址承认的 IP 地址 。
互联网通信使用全球单一广播地址,这是互联网上不需要正式分配给IP地址的唯一地址。

这篇文章是我们对埃及2011年抗议活动特别报导的一部分。
“全球单一地址”一词指世界上唯一的地址,是互联网和内部通信中使用最广泛的IPv6地址之一。
如下图所示,IPv6网络目前使用的格式为 n= 48, m = 16, 128 - n - m = 64. 这是网络标识之前的64位和之后的64位。

全局单播地址
这篇文章是我们特别报导埃及2011年抗议活动的部分内容。
本地单一链接地址指同一数据连接中唯一的地址。 当同一链条中没有路由器时, 用于通信。 界面 ID 通常保存 MAC 地址的64 位副本 。

链路本地单播地址
此项目是我们对2011年埃及抗议的特别报道的一部分。
虽然没有在互联网上进行互动,但只使用当地唯一的地址。
虽然唯一的当地地址不会连接到因特网,但将尽可能随机制作单一的全球身份证。
L 通常被置为 1
全局 ID 的值是随机选择的 。
子网ID是域网的地址
界面 ID 是界面的标识符 。

唯一本地地址
这是2011年埃及抗争特别报导的一部分。
仅使用发件人主机作为IPv6拆分处理的起点,而路由器与碎片无关。
由于IPv6中最小的 MTU是1,280 字节,因此没有必要在系统资源受限的设备嵌入系统中进行 " 路径 MTU发现 ",而是直接将IP包送到1,280 字节。
这个项目是我们目前对埃及2011年抗议活动进行的特殊报道的一部分。
我不知道该怎么办 IP协议技术
IP旨在让最终目标主机接收数据包,但只有IP才能在整个过程中进行互动。还必须有能够破译主机名和MAC地址的功能,以及在数据包传输过程中管理异常的功能。
5.1 DNS
在浏览网站时,我们通常不使用IP地址,而是使用一串罗马字母和点。 当经常用户使用 TCP/IP 连接时, IP 地址不会被他们使用。 这可以在 DNS (域名系统) 的帮助下完成。 DNS 可以自动将该字符串转换为特定的 IP 地址 。
此 DNS 不仅对 IPv4 有效,对 IPv6 也有效。
5.2 ARP
只要IP地址得到承认,IP数据报告就可传送到这个目标地址,然而,在数据链底端进行互动的同时,它必须知道每个IP地址对应的MAC地址。
目标 IP 地址用于为下一个网络设备指定相关 MAC 地址, 下一个网络设备应该分包接收数据。 不幸的是, ARP 仅适用于 IPv4, 而不是 IPv6 。 IPv6 可能用 ICMPv6 取代 ARP, 发送附近的探索信息 。
RARP是一种协议,用来从MAC地址到IP地址找到ARP。
5.3 ICMP
IPCMP的主要目的包括确认IP软件包已成功交付到目标地址,通知分配过程中IP软件包被放弃的确切原因,网络配置增强等等。
但在IPv6中,IPv6扩大了IPCMP的功能,没有ICCMPv6,正常的通信是行不通的。在IPv4中,IPCMP支持IPv4仅作为一种辅助作用,也就是说,即使没有IPCMP,也能够实现IPv4。然而,在IPv6中,IPCMP的作用得到了扩大,没有ICCMPv6就不可能实现定期通信。
5.4 DHCP
为每个主机设置IP地址将耗费大量时间。 特别是在传输膝上型计算机、终端和平板电脑等设备时,IP地址将被重新设置,用于每次转换到新地点。
因此,为了自动指定IP地址和集中控制IP地址分配,建立了DHCP(动态主机咨询协议)协议,计算机可以使用DHCP进行TCP/IP通信,只要它们与网络连接。
DHCP可用于IPv4和IPv6网络。
5.5 NAT
当连接到互联网时,NET(网络地址翻译)技术被用于使用当地网络的私人地址,并过渡到全球IP地址。
除了IP地址翻译外,NAPT技术已经出现,它转换了TCP和UDP港口号,以便与众多东道方的通信能够用单一的全球IP地址完成。
NT(NAPT)是为IPv4所创造的一种技术,它正在发生地址耗竭,然而,在IPv6中,NT也被用于加强网络安全,NT-PT经常用于IPv4和IPv6受聘NT(NAPT)之间的相互作用,而IPv4和IPv6的相互作用中,NT也被用于加强网络安全,NT-PT经常用于IPv4和IPv6之间的相互作用。
5.6 IP 隧道

连接到 IPv4 网络的两个 IPv6 网络
与以往的网络环境一样,网络A和网络B之间没有直接连接是可行的;相反,必须利用IP隧道特征,以便它们之间能够定期通信。
IP隧道可将网络A的 IPv6 包聚合成单一的数据包,并发送一个额外的 IPv4 信头到网络C 。
通常, IP 的第一部分跟随 TCP 或 UDP 的第一部分 。 但是, 越来越多的应用, 如“ IP 头是 IP 头” 或“ IP 头是 IP v6 头 ” 。 这种将网络第一层连接到网络第一层的通信形式被称为“ IP 隧道 ” 。
本文由 在线网速测试 整理编辑,转载请注明出处。