有五个分散的通道 哪个最适合你的大房子?

      最后更新:2021-10-30 02:00:39 手机定位技术交流文章

      这种路由器评价使你了解到对分布式路由器的评价。 简而言之,对分布式路由器的简单描述是,由两个或两个以上的无线-Fi信号发射器组成的分布式路由器,它们共用一个无线-Fi信号发射器网络,以有线和无线方式连接网络,实现全面覆盖。 可能有些用户认为分布式路由器要么用于双层结构,要么用于别墅的住户用户,并且完全独立于自己。 但是,只要你家里的区域信号覆盖不广,影响到正常的互联网经验,你就可以使用分布式路由器解决这个问题。 随着每个人生活水平的逐步提高,对网络需求的增加与房屋面积的扩大之间将出现越来越多的矛盾,而传统的单一路由器的使用将不再能够实现全家高速覆盖,因此,分布式路由器今后家庭将更加广泛地使用。

      为了进行这项研究,我们从市场上一些最著名的制造商中选择了五个高端分布式路由器,以供比较,希望能够向你们提供一些有用的信息。

      在我们在京都的冲浪中,我们选择了五个路由器:X-6600M,TP-Link的TL-XAP 1800GI-PoE套件(TP-Link),或H6、NETGEAR的RBK852和LINKSYS的Linkysys Velop MX8400。 为了更客观和诚实地评估这五个路线质量,我们去了我们一个小伙伴的住所进行测试。

      测试结果:


      说明:这一数据仅显示个别考试的结果。

      产品配置:

      AX6600M:两个AX6600通过无线网络连接

      RBK852:无线网络 2 AX 6

      无线网络链接Velop MX8400:2 AX 4200

      TP-Link TL-XAP1800GI-PoE:三线电缆线索

      H6:母线路为三条长线(1条Pro和2条标准分路)。


      组网路由部署:


      AX6600M:主航道部署在最高海图中间第2点,第二航道位于第3点。

      NETGEAR ORBI RBK852:主路位于最高海图中间第2点,第二线位于第3点,第二线位于第3点,第一线位于最高海图中间第2点,第二线位于第3点。

      Velop MX8400链接:主航道部署在最高海图中点2,第二航道位于第3点。

      TP-Link TL-XAP1800GI-PoE:三条路线部署在三个不同地点。

      H6:Pro版本安装在第2点的顶端,而常规版本安装在第1点和第3点。

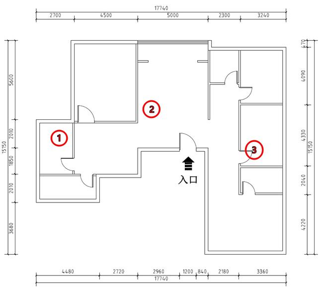
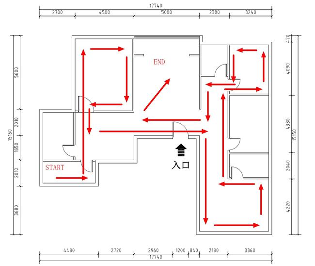
      漫游测试路线:


      距离测速点位:


      主要电力市场平台目前正在出售。

      本文由 在线网速测试 整理编辑,转载请注明出处,原文链接:https://www.wangsu123.cn/news/12419.html

          热门文章

          文章分类