最后更新:2021-10-30 03:19:05 手机定位技术交流文章
目录
一、RS-232 标准与通信协定
1.1基本内容
1.2RS-232
二. TTL与RS232之间的区别
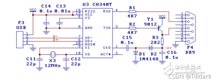
三、USB/TTL模块232传输的理由(就CH340芯片模块而言)
四. STM32cubeMX流光
STM32cubeMX的写法
四. 使用Keil进行调试模拟
五、运行结果
六、串口通信
将联系人移至(_F)..
七. Keil 软件模拟逻辑分析器功能用于观测管脚的时间序列波模式
1.串口输出波形
2. GPIO 港口输出波表
八、总结
九、参考资料
串行通讯指示器序列发送并按位接收 pentes。 尽管位元( 字节) 串行通讯缓慢, 但串行港口可以在一条线上接收数据,同时在另一条线上发送数据。 串行通讯协议是描述数据捆绑内容的协议,其中包括数据的启动、主要数据、核实和停止,并要求双方商定一致的数据总和。
波特率
在没有对通时信号的情况下,双方必须商定一个港口费率,即为了解码信号,必须知道每个代码美元的时间长度,通常的港口费率是4800、9600、115 200等等。
起始位、停止位
数据集从起始位置开始,到停止位置结束。启动信号以逻辑 0 比特表示,停止信号为 0。 5, 1, 1. 5 或两个逻辑 1 数据比特表明,它们只能由双方商定。
有效数据
起始点之后是传输的主要数据有效载荷,也称为有效数据,被广泛接受为5、6、7或8长度。
数据校验
有效数据之后是上校的测试,原因是在通信过程中容易受到外部干扰导致数据传输的差异导致数据传输的差异。 核查方法包括奇数(odd)、偶数(0(空间)、零(空间)、1(标记)和无检查(平等)。 奇数检查需要有效数据和检查地点中的奇数“1”的奇数,例如8位有效数据号码:011001,为了达到这一目的,有4个“1”。
相反,有效数据和检查位置所需的“ 1” 数是平的, 当检查为“ 0 ” 以创建测试效果时, 检查为“ 0 ” 。 然而, 无论有效数据的数据内容如何, 检查站总是“ 0 ”, 检查位置总是“ 1 ” 。
RS-232(ANDI/EIA-232)是IBM-PC及其类似机器的序列干扰标准。 它可用于各种功能,例如连接鼠标、打印机或调制解调器,以及工业仪器。 在实际应用中,RS-232的运输长度或速度往往超过驱动器和连接改进的指定值。 RS-232仅限于PC序列和设备室点对点通信。
DB-9针连接头

口服顺序图,配有九针针合针针
RS-232脚功能:通过计算机序列屏幕进入。
数据:
序列数据输出(传送数据) TXD (pin 3)
系列数据输入(接收数据)RXD(第2页)
握手:
RTS(要求发送):发送数据请求
清除发送 (pin 8) : 清除要发送
DSR(第6页):准备数据发送
DCD (pin 1): 数据承运人检测
DTR(pin 4)表示数据终端就绪状态(数据终端就绪)。
地线:
地平线(第5页):GND
其它
电话铃声指示
TTL 统一标准(i)
输出 L: <0.8V ; H:>2.4V。
输入 L: <1.2V ; H:>2.0V
TTL装置的输出小于0.8V, 高水平大于2.4V。 Enter, 小于1.2V即为0, 大于2.0V即为0。 因此,TTL低级输入低级噪声限制仅为0.8-0/2 = 0.4V, 高度噪声可容度为5-2.4/2 = 1.3V。
(二) RS232议定书
逻辑水平1为3至15V,逻辑水平0为+3至+15V,水平定义一度颠倒。
该图同样描述了USB的三线RS232链条,只有略低水平的RS232电解输出除外,CH340的R232英尺设为高层,辅助的RS232功能启用。二极管、三极管、抗体和电容器可以使用,而不是7.2.U5,这是这一节中的一种特定的水平转换电路,降低了硬件费用。

STM32cubeMX 下载完成后, 请单击帮助下载辅助软件包 。

下载如下的安装包

下载软件包后, 返回主界面并创建一个新项目 。

在部件名称字段中键入芯片的名称,然后单击创建项目。

选择系统核心, 然后 SYS, 然后在调试中选择串行线 。

之后,您通过点击 rcc, 时钟配置, 和球圈来自定义时钟 。

然后,这些胶囊将放入水晶/陶瓷共振器。

接下来您需要选择正确的下调设置输出注册。 点击尚未被剪切的 。 选择 3 。 PA5, PB7 和 PC14

其次,在系统核心中,选择 GPIO,单击引号,然后将输出设为高。

使用项目管理器配置路径和工程名称后, 将 IDE 条目更改为 MDK- ARM 。

然后,c,c,c,c,c,c,c,c,c,c,c,c,c,c,c,c,c,c,c,c,c,c,c,c,c,c,c,c,c,c,c,c,c,c,c,c,c,c,c,c,c,c,c,c,c,c,c,c,c,c,c,c,c,c,c,c,c,c,c,c,c,c,c,c,c,c,c,c,c,c,c,c,c,c,c,c,c,c,c,c,c,c,c,c,c,c,c,c,c,c,c,c,c,c,c,c,c,c,c,c,c,c,c,c,c,c,c,c,c,c,c,c,c,c,c,c,c,c,c,c,c,c,c,c

创建代码按钮的最后点击已完成 。
打开相应的文件夹, 找到生成的文件, 并使用 Keil 打开它 。

当它被打开时, 用当前光取代主函数 。

将创建的十六进制文件刻录在芯片上,

通过创建新项目开始。 创作过程从不重复。 核心和启动受到特殊考虑 。
在确定项目之后,添加汇编代码。
当布利德形成时, 生成了十六进制文件 。


十六进制文件将被烧为 stm32 芯片 。

下次启动野火串行调试助手, 输入以下命令打开串行, 并查看结果 。

我们从魔棒开始 把它改成:

当您设置了设置时, 请单击运行, 然后单击下图中显示的按钮 :

下一步,在 statup 中,输入下方图像给出的代码 。

同时,用比特修改分型,然后单击以获得波形图案。

设置相同的步骤,没有进一步的细节, 你会得到一个波模式作为输出。

在这次实验中,我学会了利用光环银行创建的程序来输送水灯和连环通讯,并面临许多困难,以及获得大人物的大量信息和博客,这些信息和博客终于完成,但肯定有很多不理解和错误,还有许多工作要做。
STM32 Blog-CDN Blog 通过连环通讯(编译)
Blog-CSDN博客使用STMCubeMX来制作操作水灯的代码(使用hal bank)_Junth 164
连环通讯协议 _ 维基百科,免费百科全书
http://www.elecfans.com/emb/jiekou/20180511676053.html
本文由 在线网速测试 整理编辑,转载请注明出处。