最后更新:2021-11-13 20:26:19 手机定位技术交流文章
引 言
随着无线无线电频率技术和无线通信技术的快速发展,在强劲市场的推动下,电力消耗低,速度快,随着有形网络技术的不断改进,对有形网络产品的迫切需要。
近年来,由于开发了人力成本,公司运营成本高企,各行业希望采用智能系统,降低商业使用成本,从而提高市场竞争力。 随着国民经济的持续增长,近年来零售业经历了井喷式增长,但零售成本由于人的成本上升而上升,导致电子标签的产生。
1个网络商品电子标签系统
1. 电子标签系统架构
在线电子标签系统可以取代目前传统的纸质标签,电子标签由纽扣电池驱动,通过互联网和标签基站的无线通信技术进行传输,该基站与前端的计算机软件连接,使用TCP/IP技术。当客户想改变标签以披露诸如定价或保修条款等内容时,该系统立即改变标签的内容。

1.2 电子标签系统的好处
电子标签的好处明显体现在:
(1) 一个主要变数:例如,商品的价格可以迅速变化,该系统通过前端装配软件调整有关标签的价格,从而管理电子标签到基地站的最新定价信息。
(2) 超低功率消耗:该系统设计为超低功率,在用两个CR2450按钮电池供电时,可以连续运行五年以上。
(3) 质量管理:纸质标签不允许商品质量期的实时同步,如果采用电子标签解决方案,商品质量期可每天自动更新。
(4) 库存同步:常规纸质标签不允许商品库存信息实时同步,但如果使用电子标签,该系统将自动每天同步商品库存信息。
(5) 动态智能变化:销售商或超市的价格经常变化,传统纸面标签可能不会实时改变,需要大量人员维护这些标签,采用电子标签系统可以及时满足这些要求。
(6) 广告介绍:电子标签系统的使用不仅可以显示纸面标签的内容,还可以显示商品广告信息。
2 用于低容量电子标签
2.1 低容量电子标签硬件设计
电子标签系统的硬件由六大组成部分组成:低功率控制系统模块、低功率墨水屏幕显示模块、无线通信模块、FLASH存储功能模块、CR2450电池模块和RGB三色LED显示。图2描述了电子标签结构。
二.一.1 低功率无线无线电频率电路设计
这种设计的无线通信以硅公司创造和制造的Si4438芯片为基础,这些芯片的好处包括高发射电、高接收灵敏度、低沉睡电流等。 图3描述了无线无线电频率电路。

图2:电子标签的结构
二.一.2 控制系统低容量设计
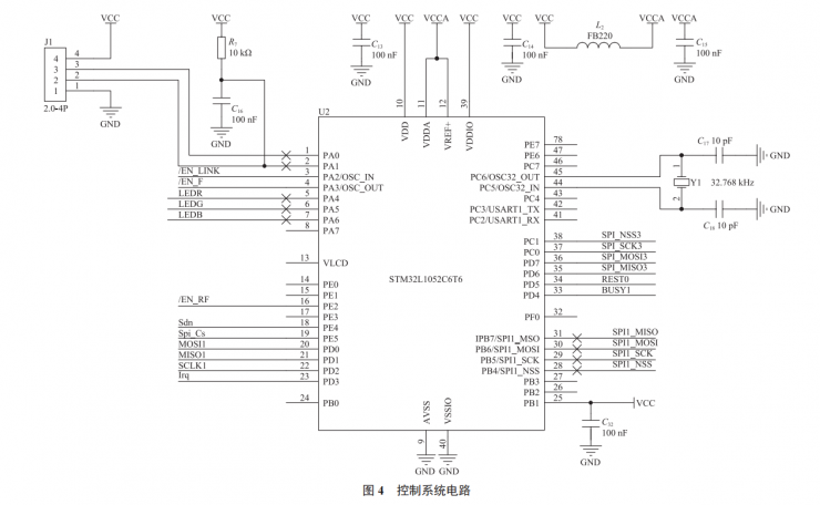
系统控制器是由ST设计和制造的低功率ARM控制器,具有Cortex-M0系列核心,RTC警钟至少为0,而控制器处于非活动模式。 8 A. 控制器包含8 KB RAM、64 KB FLASH、2 KB 胶片E2PROM、2 Road SPI 模块,配有电路[1-4],如图4所示。


二.一.3 低功率显示屏幕设计
由于电子标签是由一个2个按钮的电池驱动的,在Wontai用台湾墨屏显示屏幕,而Wontai的墨屏很低,屏幕内容在停电后仍然可以保存几天到许多月。 屏幕和控制器通过SPI接口进行互动,左电路是一个举重电路,通过感官和电容器提供高压屏幕刷刷。

电子Label Wireless Wireless第2号来文的算法
二.二.1 电子标签电子标签低功率睡眠实现的算法
电子标签由两台CR2450按钮电池驱动,总容量为1,100 mA,当电子标签有效时电流为16 mA,无线电频率进入发射模式时电流为100 mA。要达到5年的工作时间,电子标签必须输入低功率睡眠模式。
电子标签系统软件采用偶尔的冬眠觉醒技术,确保两个电池能维持系统稳定五年以上,在正常条件下,电子标签进入睡眠模式,在此期间,系统使用不多,规定时限,标签一旦进入觉醒模式,收到关于是否有更新网关的信息,进入通信模式,如果没有,则继续睡觉模式。睡眠周期T1为10秒,觉醒时间T为10毫秒。

当您想要改变标签的价格并显示内容时, 您将首先从网关获得快速提醒信息, 以保证您能够唤醒所有需要更改内容的标签, 然后您将传递数据。 由于标签在20米时醒醒, 网关唤醒周期T2设置在5米时, 以确保在标签觉醒期间完成数据互动, 您希望改变标签的价格并显示内容, 您将首先从网关收到快速提醒信息, 以确保您能够唤醒所有需要更改内容的标签, 然后您将数据传送。 由于标签在20米时醒醒, 网关唤醒周期T2设置在5米时, 以确保在标签觉醒期间完成数据互动 。
二.2. 网关和电子标签通信的建筑
图8显示了电子标记系统网关和标签之间的通信协议网络布局。

当电子标签不考虑低功用通信时,系统通信结构将变成一个与 Modbus 通信总线相似的常规主机结构。主机传输更新和更新的节点识别码,所有标签都从机器获取信息,从机器上检查身份,如果主机需要更新,则与主机连接并发送回复信息。
3 结语
由于国民经济和零售部门不断扩大,传统纸质标签不再能够满足人类生存的需要。
(1) 通过利用技术的电子标记系统,通过在同样数目的地区和商品建造较少的无线网络,减少了通信的距离,建筑的复杂性和费用也减少了。
(2) 系统不那么容易受到干扰。 2.4G无线通信包括移动电话、无线网络和蓝牙通信技术,因此采用电子标签技术使用Sub1Ghz技术可以使传输过程不间断和通信效率高。
(3) 失眠在工作条件方面效果较差,发射动力和敏感度增加,而且由于电子标签系统需要CR2450电池供电,因此低耗电的必要性十分迫切。
尽管如此,在文本中正在建立的电子标签系统方面,仍有若干需要改进的关切问题。 首先,屏幕的成本可能比其他液晶显示器的成本高,导致电子标签系统价格高。 其次,虽然电子标签系统可以降低操作成本,但它们有更高的前期投入,市场需要进一步培育。 最后,典型的网络系统是一个无线局域网。
(下转第 25 页
本文由 在线网速测试 整理编辑,转载请注明出处。