最后更新:2021-11-19 15:15:38 手机定位技术交流文章
RS232和TTL通信的唯一区别是硬件机制(电子管),如果RS232和TTL要转换,则必须使用转换芯片转换。
| TTL | RS232 |
|---|---|
| 0-5V | -15 - 15V |
| 1级是最高权力级别,0级是最低权力级别。 | 低功率水平一,高功率水平零 |




开始: 由逻辑 0 位表示
停止位置: 以零. 5、 1、 1. 5 或两个逻辑一比特, 通常是一比特
有效数据:起点之后立即有合法数据,其长度通常商定为5、6、7、8或9个字符。
验证:这是一个对数据产生阻力的可选步骤。
校验的方法主要有:
1. 奇数检查(奇数检查):在有效数据和检查站中存在“1”是不寻常的。
甚至: 有效数据和核查中的“ 1” 值是偶数 。
3-0 检查( 空格) : 无论数据的有效性如何, 检查点总是为零 。
4、1(标记):如前所述,检查位置始终为1。
5. 没有检查(相等):检查地点不包括在数据包中。
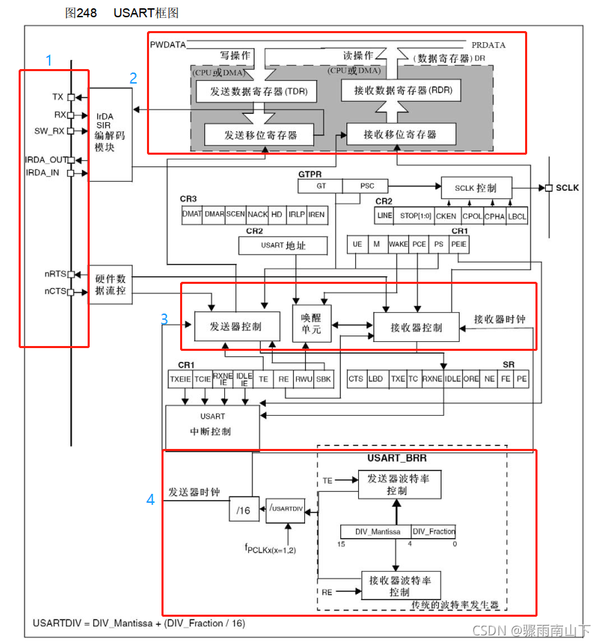
检查USART(通用同步器)的功能框架,然后使用外部一台机器:
SPM32 中文参考手册
我们将上述职能框架分为四部分:
上图显示共八条线索:
| 引脚 | 功能 |
|---|---|
| TX | 数据发送 |
| RX | 数据接收 |
| SCLK | 时钟, 专门用来同步通讯 。 |
| nRTS | 发送请求 |
| nCTS | 清除发送( allow 发送) |
| SW_RX、IRDA_OUT、IRDA_IN | 红外相关配置 |
应当指出,USART1-3能够同步通信,但其安装的公共汽车有所不同,如果从USART1替换为USART2,则其时钟必须更新。
STM32F10X数据手册——Pinout和插针说明——可以用来查找芯片的基础功能。
每个ST每个芯片系列都包括一个具有广泛上岗特点的杜丁纳手册,这是许多在创建程序时使用的功能,在启动时经过适当调整,即配置通用功能和相关功能的启动
如下图所示,USART_DR登记册在九个地点有效,由发报机数据登记册、TDR和接收数据登记册(RDR)组成,这是与地址相对应的两个物理内存,相当于USART的全时、半时通信方法。
25.6. SPM32《中国参考手册》第2章
让我们审查系列数据格式:
USART_CR1登记册确定使用的地点的确切数目:

此处的 n 值表示由另一个登记册控制的不确定性,而控制中途停留为 USART_CR2 :

USART_CR1登记册负责核查。

当支票失败,支票失败, USART_SR PE位数设置在1: 30。

本文由 在线网速测试 整理编辑,转载请注明出处。