最后更新:2021-11-22 16:03:34 手机定位技术交流文章
1. 服务、接口和协议之间的分离并不明显;成功的软件项目应从实现方法中分离功能;参考模型不适用于其他非TCP/IP群体。
2. 实际层不是TCP/IP参考模型主机-网络层。
3. 需要将物理层和数据连接分开,而且需要合理,但TCP/IP参考模型却并非如此。
通信基础
频道、信号、带宽、代码、波特、速度、源头、字母和版面都是基本术语。
(1) 信徒:向某一方向传递信息的渠道。
(2) 信号:数据的电磁性或电子性能。
(3) 带宽:Hz中中或频带宽度的信号可能达到的最高频率和最低频率之间的差别;另一个定义是频道中的数据传输率,每秒以位数表示。
(4) 代号美元:基本波形是代表数字信号时场波形(简称时场)时的离散值的基本波形。
(5) 波特:以特定时间单位发送的代码要素数目。
(6) 比特率:以给定时间发送的位数数。
(7)信源
(8)信宿
一. 比特率(比特率)是计算机中的数据单位和信息学中使用的信息信息。比特率是二进制值1或0之一。
计算机网络中最基本的业绩指标是率、数据率(数据率)或比特率(比特率)。
速率以每秒(bps)、千字节/秒(kb/s)、千字节/秒(MB/s)、千字节/秒(GB/s)、千字节/秒(GB/s)等表示。 “带宽”(带宽)是指H(或kHz、MHz、GHH等)中的信号的频率宽度。
2. 在计算机行业中,带宽现在等同于数字频道能够广播的“最大数据率”,即“每秒比特”或b/s(比特/秒),bps。 广泛使用的带宽单位为每秒kb/s(103 b/秒)兆米,或Mb/s(106 b/秒),或Gb/s(109 b/秒),或太多Tb/s(1012 b/秒),或Tb。
三. 在将数据从节点传送到传输介质时,从头一小段到头一小段完成框架的最后一小段所需的时间是延迟(延迟或延迟)。

香农和内基特有
最大数据传输速率 B=2xH(Baud) Nequist港配方--无噪音传输能力公式: C=2xHxlog2N(bps) C=Bxlog2N(bps) C=Bxlog2N(bps) H,用于频道带宽,即频道上下界之间的频率差异,以赫兹表示;
香农公式 - 噪音配置能力公式: N 是用于代码的离散值数 。
C=Hxlog2(1+S/N)(bps)S是信号动力,N是噪音动力,S/N是噪音比,一般为10lg(S/N)dB(dB)S/N=10010lg(100)=20dB2.一.3编码和调制解调器:载波调制解调器
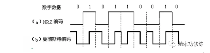
编码数字数据0和1的行为带有各种电压极或平价信号,称为数字基条信号代码;相反的过程称为解码。 曼彻斯特为零,代码为零。 无效电压表示逻辑0,正电压代表逻辑1. 当然,还可能存在其他配方。
1正0 - 信号水平返回到代码大小内的零代码,以评估信号是否丢失。 双带宽同步功能
当低水平跳到高水平时,这表示数字信号;当高水平跳到低水平时,表示数字信号0。
曼彻斯特代码的中间平跳表示数字信号的起飞和自动携带时钟信号。 因此,不需要用于传输同步信号的线条成本低廉。 直流分数也减少了。
区别在于 曼彻斯特 代码 。 每个时钟周期的中间会发生平跳。 每个时钟周期开始时, 跳跃显示为 0 点, 点的跳跳显示为 0, 点的不跳显示为 1 点的不跳显示为 1 点的每个时钟周期的中间进行同步。 每个时钟周期开始时, 点的跳跳显示为 0, 点的跳显示为 1 点的非 点显示为 1 。
优点:发送方和接收方可以与编码时钟信号保持同步,而不需要一条专用于发送同步信号的线路,从而降低成本。
电路交换、纸张交换和集体交换都是交流的例子。
交换网络可以分割成电路交换网络、 电路交换网络、 电路交换网络、 在传输任何数据之前生成的呼叫到终端电路。 数据传输: 建立电路后, 数据可以从一端传输到另一端, 电路必须在数据传输过程中保持连接 。 电路解析: 数据传输完成后, 电路必须断开 。
电路交换所的特殊电路交换所必须连接,电路交换包括三个阶段:连接、通信、通过四个开关释放连接A和B,以及调用A至B连接。
2 电文是用于换文的数据传输单位。电文是由网站提供的一次性数据块,该数据块是开放和可变的。电文必须附有目的地地址,而互联网节点则根据目的地地址的信息,将电文发送到下一个节点,并按节点将电文传送到下一个节点。电文在收到全部电文后被保存并发送到下一个节点,并检查其发送出去的电文是该网站提供的一次性数据块,这是开放和可变的。电文必须附有目的地地址,而互联网节点则根据目的地地址的信息,将电文发送到下一个节点,并按节点逐节点发送。接收全部电文并检查后,该电文将被保存并发送到下一个节点。文件被分成组,每个组都有最多可以保存在记忆中的组,从而加快交换速度。
集团交换的关键方面是在发件人端,在发件人端,较长的信息被分解成较短、固定长度的数据段。
请记住, “ 前” 集束交换网络目前位于左侧, 以“ 组” 为数据传输单位。 将组转至接收端( 假设在左侧 ) 。
每个组的初始部分包含控制信息, 如地址等 。 集团交换网络中的节点交换将根据从集团第一部分获得的地址信息, 将集团传送到下一个节点交换 。 最后分组可通过这种存储传输到达其最终目的地 。
接收端接收到该团体,该组将头部切除后写成报告。
最后,在接收端,收到的数据被恢复到原始信息。
假定在传输过程中分组没有过错,在传输时没有将其删除。 因特网的核心由众多网络和连接它们的路由器组成,而主机在互联网边缘。 主机:用户的信息处理和与网络上其他主机的信息交流。
群体交流的好处如下:1. 传输带宽的高效、动态分布,这是通信连接的逐个区段;灵活分组是传输单位和搜索路线;3. 可靠的网络协议,以确保可靠性;以及使网络盈利的分布式路线选择系统。
问题1将导致拖延时间,因为在节点储存传输时,需要排队进行集团交流。 最初一半必须携带关键控制信息的集团也需要费用。

(a) 时装电路:连接通信手段(虚拟环境),以保障双方通信所需的所有网络资源,如果再次使用可靠传输的网络协议,将允许集群分布达到不侵犯命令的终点。
从H1传输到H2的所有集群都通过同一个假电路发送,这意味着它们只是一个逻辑连接,它们通过存储传输而不是实际建立连接而沿着这一逻辑连接发送。请注意,线路交换的电话通信是第一个建立真正链接的。
数据报服务
1. 网络一级仅提供基本、灵活、无连接的数据报告服务,而且尽可能提供这种服务。
2. 在传送集群的同时,网络不必事先连接,每个分组(数据报告)都单独发送,而不论其先前和其后的分组(不编号)3 承诺不提供网络一级的高质量服务,换言之,沟通的分组可能出错、丢失、重复和不合序(不是按到终点的顺序),而且不能保证对群体传输有时间限制。

2.2 传输介质
双绞索、coax电缆、光纤和无线通信介质
这是双圈套。双圈套被阻断。 无防护的双圈套套STP(双圈套套) UTP(无防护的双圈套套。 UTP(无防护套套) 。 UTP(无防护套套。
50 同轴电缆
75条暴徒、同轴电缆和光纤电缆
短波通信主要反映电离层,尽管质量低。 空间的微波传输主要在直线上。 地面微波通信主要在弯曲路径上。
Beidou WiFi 3G 4G 5G 典型卫星通信
物理层接口的特性
电能特性具体指明接口电缆每一行发生的电压范围。 功能特性具体指明线上出现的平面电压意味着什么。
2.3 物理层设备
2.3.1 中继器
1. 中继器是物理层连接装置,在不使用选择路线或群体过滤法的情况下,从一根电缆向另一根电缆发送电信号或光信号,中继器是物理层的中间系统。
2. 以太网的扩展通常使用中继器,包括以太网通信频道的扩展和以太网覆盖面的扩展。
3. 由于中继器不仅发出有益的信息,而且发出噪音和冲突信号,相互连接的中继器数量有限。
2.3.2 集线器
1. 共用以太网枢纽(枢纽),该枢纽不解释数据,但从一个区域接收数据并发送到另一个区域。
2. 枢纽基本上是一个多港口中继器,一个类似于恒星的网络启动器。
3. 枢纽的以太网在逻辑上仍是一个公共汽车网络,工作站利用CSMA/CD协议共享逻辑公共汽车及其带宽。
4. 枢纽连接设备位于同一广播和冲突地区,一个更大的局域网可与几个枢纽连接。
1. 成就使来自不同碰撞/冲突区域的计算机能够连接到不同碰撞/冲突区的局域网。2 局域网的地理覆盖范围已经扩大。弱点1. 碰撞/冲突区域已经扩大,而总输送量没有增加。2. 如果不同的碰撞/冲突区采用不同的数据速度,则一个集中的仪器可以将它们连接起来。Bandwidth 6兆赫,测量等级4,无噪音,数据传输率最高?C=2xxlog2N(bps)=2x6xlog24=24Mbps
选取两个最小值:Rmax=6Kbps 09-34;如果通信连接带宽为3 kHz,使用四级x四光速QAM调制解调器,在没有噪音的情况下,通信连接的最大数据传输速率为A12kbps B.24kbps C.48kbps D.96kbps。
链接(链接)是一个无源的点对点物理部分,缺乏交换节点管理、框架同步、流动控制、错误控制、数据和控制信息分离、透明传输和地点。
组帧
覆盖框架由数据段前后第一段和尾段合并组成,然后创建框架。这决定了框架的边界。第一个和尾段的任务就是标定框架。
解决透明传输问题
1. 在数据结尾处发生控制字符 " SOH " 或 " EOT " 之前插入转写字符ESC(带有十六进制代码1B)。
2. 字节填充或字符填充 - 在将数据传送到网络层之前,接收端的数据链接层删除插入的转录。如果数据中也出现转写字符,应在转写字符之前放置一个转录字符。
当接收者收到两个连续转音字符时, 请删除第一个字符。 字节 Filler 处理透明传输问题 。
字符填充 7E = 011 110 以将显示在电文字段中的 0x7E 字节转换为 2 字节序列 (0x7D, 0x5E) 。 011 11011 110 如果在电文字段中出现 0x7D 字节, 字符填充 7E = 011 110 以将显示在电文字段中的每个 0x7E 字节转换为 2 字节序列 ( 0x7D, 0x5E) 。 011 11011 11011 将一个字节 0x7D 转换为 2字序列 ( 0x7D, 0x7D ) 。 如果在电文字段中出现 0x7D, 0x5 字节的字节数为 0, 那么, ASCII 代码控制字符字段在信息字段中出现完全相同的八位组合( F0 0 1 1 1 1 1 1 1 1 1 1 1 1 10 0 0 0 0 0 0 0 0 0 0 0 0 0 0 0 0 0 0 0 0 10 ) 错误认为在5 行 0 0 0 0 发送 后会填好 F 。
差错控制
在数据链层传输框架中广泛使用循环冗余测试的原则,使用循环冗余测试的错误探测技术 CRC.At发件人端,先将数据分组。假设每个组是 k位数。假设一组数据是 k位数。假设一组数据是传输M = 101001 (现在k = 6) 。假设一组数据是传输M = 101001 (现在k = 6) 。M之后,加入n位数冗余代码以探测错误的方式检测并发送到一起。在计算结果时,使用2n乘以M的二进制模式2计算。这相当于在M之后增加n0。 获得的位数(k+ n)除以预选(n+ 1) P 的分数。假设每个组数是 k = 101001 (n+ 1) 。其余的R 少于 P的分数,即 R nk= 6, M= 10100.Set n = 3除以 P= 1101,除以 2n = 100.Mod 2 导致商业Q=110101,剩余R= N.
框架测试序列 FCS (Frame CheckSquence) 在称为框架测试序列 FCS (Frame CheckSquence) 的数据中增加了冗余。 CRC 的循环冗余测试和框架测试序列并不完全相同。 CRC 是常见的发现错误的手段, 而 FCS 是数据中添加的冗余代码 。 FCS 可能是从 CRC 方法中生成的, 但 CRC并不是获取 FCS的唯一方法 。 (2) 如果其余R0 显示有缺陷, 则该框架被丢弃 101001, 以 1101 分开, 但这一测试并不能确定哪些位或几位位元错误不正确 。 只要严格选择未发现错误的可能性很小, 且 P 所分隔的位置足够 。 “ 所有在数据链接收端被接受的框架 ” (一个缺陷框架被否决, 未被接受) 必须配有确认和重新传输系统 。
随着计算机保存或传输数据,校正代码可能会产生数据比特错误,而数据比特错误可能使用汉明代码被发现和固定。汉明代码是Bell Lab的R.T.W.I.E.L.D.Hamming发明的错误校准代码,因此是名称。
三.4 可靠的传输方法和流动控制
三、四.1 流动控制、可靠传输和滑动窗口机制
在发送一个组后,必须暂时保存该组的复制件。分组的分组和确认必须编号。定时器的再传送时间必须比按组传送数据的平均返回时间长。
使用上述识别和再传输技术,可以在不可靠的传输网络上建立可靠的通信连接。再传输机制和序列号系统是可靠的传输协议,通常称为自动传输请求ARQ(自动重复查询)。ARQ表示再传输请求是自动的。接收人不需要要求发送人重新发送错误组。
流程线允许发件人连续发送多个组,而不必在每组中暂停 。
背面N框架议定书(GBN) 3.4 3
如果发送者发送了前5组, 中间3组就会丢失。 在此点, 接收方只能向前2组发送确认书。 发送者重复了后3组的所有3组。 这称为 Go- back- N, 意思是它需要被送回来重新发送已发送的N组。 累积通常由接收者使用。 也就是说, 确认书不需要按组发送, 而是按组发送, 而不是按组发送, 也就是说, 最后一个组是按组发送的, 也就是说, 到该组之前的所有组都得到了正确的接收。 累积承认的好处是很容易实现的, 甚至确认损失也不必重复。 缺点是, 收件人收到的所有正确信息组无法反映给发送者 。
三、四.4 重新发送协议(SR)的选项之后是正确的框架,在接受方发现框架有误后无法立即发送到接受方的顶部,但接受方仍可将其接收并储存在缓冲区,同时要求发送方重新发送断层盒。 一旦收到重新发送的框架,在缓冲区内已经存在的框架的其余部分也可以是。
(1) 幻灯片窗口的变量选项 :
1 发件人宣布一个名为 Send Windows 的变量, 并用 SWS (发送 Windows 大小) 来填充它 。
接收端创建了一个变量,称为接收窗口,该变量在 RWS (接收窗口大小) 中被描述为可接收框架的序列号上限。 目标是能够重复一个限制编号列 。
发送者窗口大小(SWS)显示发送者在没有确认框架(停止等待SWS=1)的情况下能够交付的最大框架数。
(2) 订窗规则:
1 发件窗口中的框架是能够传送的唯一框架,无论是否收到确认书。发件窗口右侧的任何框架都不允许。2 允许发送的每个框架的每个框架都降低一个,但发送窗口的位置保持不变。3 如果达到授权发送的框架数目,但尚未收到确认书,则不得再发送任何框架。发件人收到每个框架确认书后,发件人窗口会向前滑动(即一个框架位置(右边))
(3) 接收窗口的大小(RWS)。
1 表示能够接收框架的序列号上限,指定哪些序列号可以接受,哪些不可接受。只有接收框架的序列号位于接收窗口内(停止等待RWS=1),该框架才允许使用。
为节省资金,《后续年度报告调查表协定》进一步规定,接受方不必为收到的每个有效数据框架提交确认框架,而只能在收到多个连续正确框架之后向最终数据框架发送确认信息。
获取确认的方式也可以用来节省资金。
数据框架的确认确认确认收到数据框架和以往所有数据框架的准确性,接受数据时将提出较少的确认框架,从而降低费用。
⑤接收窗口大小可以根据需要设定,RWS=1,表示一次只能接收一个帧;RWS=SWS,可以将发送端发出的帧全部接收;RWS>SWS,没有意义 。
(3) 以下是接收窗口的规则:
1 只有当收到的框架的序号与接收窗口对应时,才应接受这一框架;否则,就应丢弃这一框架。
2. 当收到正确的序列号框架时,接收窗口先提出框架位置(即向右)。 同时向发送者发送框架确认书。
3 接收窗口移位,以便传送窗口向前推进。
(4) 发送窗口的最大值 问题:发送的序列号(SeqNum)必须是最好的。 SWS=SeqNum必须是最好的。假设SeqNum=8,SWS=8,8,RWS=1,发送的发送者1-7,所有发送者都确认,发送的发件人为ACK0-ACK7。
发送者收到1ACACK0ACK7,发送新框架1-7;正常无误差 01 2 3 4 5 5 6 7 0 1 2 3 4 4 5 5 6 7 7 0 1 2 3 5 5 5 6 7 7 7 0 1 2 2 3 3 4 4 5 5 5 5 5 6 6 6 7 7 1 2 3 3 3 4 5 5 6 6 7 0 1 23 4 4 6 7
2ACK0-ACK7与发件人重复原框架 0-7 超时; 0 1 2 3 45 6 7 0 1 2 2 3 3 4 5 6 7 收到接收人无法准确区分第二次收到的8个框架,即新框架或原重发框架。 0 1 2 3 3 4 5 6 7 结论:当RWS=1, SWSmax=SeqNum-1 RWSmax=SeqNum-kn
3.05 媒体出入管制
三.五.1 通信技术的基本概念是再利用(多重重复)。
1. 在获得一定频带后,所有频率再使用用户同时使用两个和单独的带宽资源(“带宽”是频带宽)。
TDM1和TDM2是时间到使用框架(TDM框架),将时间分为时间段。每次重复的用户在每一个TDM框架中需要一定的序列号间隔。2 每个用户都使用周期性的时间间隔(周期等于TDM框架的持续时间)。3 TDM传输被称为异地信号,包含在不同时期使用同一带宽的所有用户。
重复使用的时间可能是对线性资源的浪费。
WDM(维长分部多环)的再利用是光频的再利用。
CDM (Code Division multipxing) 拥有多站点的CDMA(Code Division multiple Access), 用户使用具体选定的不同大小, 互不相互干扰。 系统生成的信号非常耐受干扰, 其频谱与白噪音相似, 使对手难以识别 。
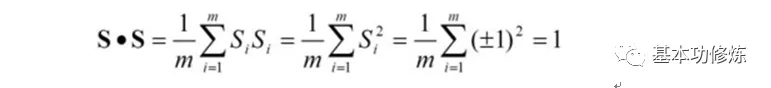
每个位数时间被分成短间隔, 称为芯片 。 芯片序列被给每个站点指定一个独特的 mbit 序列。 如果您发送了位数 1. 如果发送了位数 0, 则发送了它自己的 mbit 序列。 例如, S 站的 8 位数序列是 0011011。 当位数 1 被发送时, S 将序列 0011011 发送为 1100 100 。 S 站代码序列 :1 - 1 - 1 +1 +1 +1 +1 +1 +1 +1 +1 +1 +1 +1 +1 1 +1 +1 +1 。 CDMA 的关键特性不能因站点而不同, 并且必须彼此对应( ortogonal) 。 在实用系统中, 使用假随机序列。 代码序列的正统性表示矢量 S 代表 S 站点 S 或 T 任何其他 的代码矢量矢量矢量矢量 。 两个不同站的序列序列序列是直线,, e. e. 矢量 S 和 T 说明内化 ( 内化工程) 是 0 :
矢量 S 是(1-1-1+1+1+1+1+1+1), 矢量 T 是(1-1+1+1+1+1+1+1+1+1+1+1+1+1+1+1)。 通过将矢量 S和T的分数合并到 S *T+1+1+1+1+1+1+1+1+1=0, 可以显示代码序列是正数 。
密码矢量给定的内部值, 密码矢量的反向矢量为 1 。
S站点代码序列:(-1-1-1-1+1+1+1+1+1+1+1+1+1+1+1+1+1+1+1+1+1+1+1+1+1+1+1+1+1+1+1+1+1+1+1+1+1+1+1+1+1+1+1+1+1+1+1+1+1+1+1+1+1+1+1+1+1+1+1+1+1+1+1+1+1+1+1+1+1+1+1+1+1+1+1+1+1+1+1+1+1+1+1+1+1+1+1+1+1+1+1+1+1+1+1+1+1+1+1+1+1+1+1+1+1+1+1+1+1+1+1+1+1+1+1+1+1+1+1+1+1+1+1+1+1+1+1+1+1+1+1+1+1+1+1+1+1+1+1+1+1+1+1+1+1+1+1+1+1+1+1+1+1+1+1+1+1+1+1+1+1+1+1+1+1+1+1+1+1+1+1+1+1+1+1+1+1+1+1+1+1+1+1+1+1+1+1+1+1+1+1+1+1+1++1+1+1+1+1+1+1+1+1+1+1+1+1+1+1+1+1+1+1+1+1+1+1+1+1+1+1+1+1+1+1+1+1+1+1+1+1+1+1+1+1+1+1+1+1+1+1+1+1+1+1+1+1+1+1+1+1+1+1+S=1+1+1+1+1+1+1+1=8/8=1 SS(反转)=-1+1+1+1+1+1+1+1+1+1+1+1+1+1+1+1+1+1+1+1+1+1+1+1+1+1+1+1+1+1+1+1+1+1+1+1+1+1+1+1+1+1+1+1+1+1+1+1+1+1+1+1+1+1+1+1+1+1+1+1+1+1+1+1+1+1+1+1+1+1+1+1+1+1+1+1+1+1+1+1+1+1+-1+1+1+1+1+1+1+1+1+1+1+1+1+1+1+1+1+1+1+1+1+1+1+1+1+1+1+1+1+1+1+1+1+1+2+B+2+2+2+2+2+2+2+2+2+2+2S2+2+2+2+2+2+2+2+2+2+2+2+2+1+2+2+2+2+2+2+2+2+2+2+2+2+1+1+1+1+1+1+1+1+1+1+1+1+1+1+2+1+1+1+1+1+1+1+1+1+1+1+1+1+1+1+1+1+1+1+1+1+1+1+1+1+1+1+1+1+1+1+1+1+1+1+1+1+1+1+1+1+1+1+1+1+1+1+1+1+1+1+1+1+1+1+1+1+1+1+1+1+1+1+1+1+1+1+1+1+1+1+1+1+1+1+1+1+1+1+1+1+1+C= +1 1 S2C= -1 0 S3*C= 0 none
ALOHA协议是,用户有一个框架,使用冲突监听和随机再排放机制传输。 系统是一个竞争性系统。 Long框架是统一的,但两者间的冲突或重叠会受到破坏,从而效率低下。 在泊位分配下,发送的次数是G=0,每个框架5小时,频道批量S=0. 184,通过原来的频道只有18次,通过原来的频道4.4%发送。
2. 在需要提供数据的地点之前,CSMA必须倾听公共汽车的声音。
如果没有来自另一个公共汽车站的信号,即:如果公共汽车是免费的,站提供数据;如果公共汽车上的另一个站发出信号,即:如果公共汽车是忙碌的,它必须等待一段时间才能监听公共汽车,然后根据公共汽车的忙碌或闲置性格决定是否传输数据。
CSMA/CD议定书
由于公共汽车上没有源设备,以太网将数台计算机连接到一辆公共汽车上。 连接机制既简单又可靠。
由于只有计算机D的地址与数据框架第一部分所写地址相符, 只有D才收到这个号码。 所有其它计算机(A、C和E)都承认了未发送给他们的数据框架, 因此他们丢弃了数据框架, 无法在公共汽车上收集传输的工作计算机就可以通过在Tainet上广播来检测B提供的数据信号。 因为只有计算机D的地址与数据框架第一部分所写地址相对应, 只有D才收到这个号码。 所有其它计算机(A、C和E)都承认了未发送给他们的数据框架, 因此他们丢弃了数据框架, 无法收集它们。 所提供的数据框架没有编号, 不需要在得到另一方确认的情况下返回。 这是因为局域网频道质量很高, 频道质量差错的可能性也很低 。
Ethernet 服务, 即 Ethernet 服务, 是不稳定的发送, 也就是说, 交付的是最佳的努力。 2。 当错误的数据框架到达目的地站时, 丢弃它们, 什么都不做。 错误校正由高水平管理 。 如果发现高层次的电磁数据丢失并重新传输, Ethernet 并不知道这是一个再传输的框架, 而是它作为一个新的数据框架发送。 CASMA/ CD CSMA/ CD 将它指Carler Sense 多重存取与调解数据 。 “ multi-point 访问” 意指许多计算机通过多点存取来连接一辆公交。 CAS “carry-波监听” 意指每个人发送数据之前都要先检查是否有其他计算机发送的数据, 如果不是现在, 当公交中的某些电流流的电流流, 则必须再次发送。 当公交电流电流电流的电流流中, 将不再有某种“ ” 。 当电流电流电流的电流中, 当电流电流的电流的电流的电流中, 也使用“car- covern- 则指从其它电路路的信号的传输的信号的信号的信号的信号的信号的信号是用来探测到电路的电流数据, 。
使用 CSMA/CD议定书的以太网不能进行全双工通信而只能进行双向交替通信(半双工 通信)。每个站在发送数据之后的一小段时间内,存在着遭遇碰撞的可能性。这种发送的不确定性使整个以太网的平均通信量远小于以太网的最高数据率。最先发送数据帧的站,在发送数据帧后至多经过时间 2 (两倍的端到端往返时延)就可知道发送的数据帧是否遭受了碰撞。以太网的端到端往返时延 2 称为争用期,或碰撞窗口。经过争用期这段时间还没有检测到碰撞,才能肯定这次发送不会发生碰撞。争用期的长度 以太网取 51.2 s 为争用期的长度。对于 10Mb/s 以太网,在争用期内可发送 512 bit,即 64 字节。以太网在发送数据时,若前 64 字节没有发生冲突,则后续的数据就不会发生冲突。100Mbps 64B 5.12 s 最短有效帧长如果发生冲突,就一定是在发送的前 64 字节之内。由于一检测到冲突就立即中止发送,这时已经发送出去的数据一定小于 64 字节。以太网规定了最短有效帧长为 64 字节,凡长度小于 64 字节的帧都是由于冲突而异 常中止的无效帧。一般情况的计算方法 长度为 L 带宽为 C 传播速率为 D 碰撞窗口 2*(L/D) 最短有效帧长= 2C(L/D)D = 200,00公里/二进制指数型解除待命状态 确定从总集合[0,1,..,2k-1]中随机选择的总和[0,..,2k-1]中重新传送k,k 10,即k = Min[再传送,10]的数量。再传送所需的延迟是r的基本撤退时间的两倍。在16次重新传送失败后删除框架,然后向上方报告。
CSMA/CD议定书的要点 (1) 准备发送。但在发送之前,必须先检测信道。(2) 检测信道。若检测到信道忙,则不停地检测,一直等待信道转为空闲。若检测到 信道空闲,并在 96 比特时间内信道保持空闲(保证了帧间最小间隔),就发送帧。(3) 检查碰撞。在发送过程中仍不停地检测信道,即网络适配器要边发送边监听。这里只有两种可能性:①发送成功:在争用期内一直未检测到碰撞。这个帧肯定能够发送成功。发送完毕后, 其他什么也不做。然后回到 (1)。
②发送失败:在争用期内检测到碰撞。这时立即停止发送数据,并按规定发送人为干 扰信号。适配器接着就执行指数退避算法,等待 r 倍 512 比特时间后,返回到步骤(2), 继续检测信道。但若重传达 16 次仍不能成功,则停止重传而向上报错。CSMA/CA 协议 无线局域网不能简单地搬用 CSMA/CD议定书。这里主要有两个原因:1、“碰撞检测”要求一个站点在发送本站数据的同时,还必须不间断地检测信道,但接收到的信号强度往往会远远小于发送信号的强度,在无线局域网的设备中要实现这种 功能就花费过大。2、即使能够实现碰撞检测的功能,并且在发送数据时检测到信道是空闲的时候,在接收端仍然有可能发生碰撞。这种未能检测出媒体上已存在的信号的问题 叫做隐蔽站问题(hidden stationproblem)
当 A 和 C 检测不到无线信号时, 他们假定 B 是免费的, 并将数据传送到 B, 导致结果崩溃 。 然而, B 向 A 发送数据对 C 向 D 发送数据没有影响 。 这被称为 暴露站问题 。
当B向A传输数据时,C希望与D.C互动,在媒体中注意到一个信号,害怕向D.无线局域网发送数据,无法使用CSMA/CD,但只能使用升级的CSMA协议。 改进后的解决办法是给CSMA.802增加一个碰撞避免功能。 使用CSMA/CA协议。 同时,使用等待协议B传输数据到A的情况有所增加。 C.希望与D.C互动,在媒体中注意到一个信号,害怕向D.无线局域网发送数据,无法使用CSMA/CD,但只能使用升级的CSMA协议。 改进后的解决办法是给CSMA.802增加一个碰撞避免功能。 同时,使用CSMA/CA协议也有所增加。
DCF 子层使用每个节点的 CSMA 机制的分配访问算法,允许台站通过竞争频道获得分配权。AA 结果, DCF 提供相互竞争的服务。 PCF 子层使用中央控制访问算法,将数据发送到台站的权利旋转,从而避免框架之间的碰撞,而IFS 所有台站在发送下一个框架之前必须等待非常短的时间(继续监听)。 这个时期通常被称为 IFS (InterFrame Space)。 框架间隔的长度取决于台站要发送的框架类型。 高度优先框架需要较短的等待期,因此优先排序。 如果低优先框架没有及时交付,而其他台站的高度优先框架被发送到媒体,媒体就会变得繁忙,因此低优先框架只能被推迟。 这降低了碰撞的可能性。
SSIFS是短(短)框架间隔28秒的短(短)框架,是距离谈话间隔最短的框架间隔。 在这段时间里,一个站应该能够从传输向接收过渡。使用SSIFS的框架种类是:ACK框架、CTS框架、过长的MAC框架后的数据框架,无法满足所有AP要求,以及用PCF模式由访问点AP提供的任何框架。
DIFS,即用128秒的时间,分布协调框架间隔大大于SIFS框架间隔,使用DIFS以 DCF 模式提供数据框架和管理框架。
802. 标准为承运商在物理层的空气界面上监听物理层的物理层。 如果收到的相对信号强度高于某一阈值, 则可以确定是否有其他移动站点在频道上发送数据。 当源站交付其初始 MAC 框架时, 如果频道是免费被发现的, 也可以是 sen 。 这是考虑到可能还有其他高优先框架需要发送的站点。 如果存在, 则必须先发送高优先框架 。 假设没有高优先框架来发送源站发送自己的框架 。 如果目的地收到正确的框架, 确认框架ACK 就会在时间间隔 SIFS 之后发送给源。 如果源站没有在规定的时间框架内发送初始 MACC 框架( 由再传输计时器控制), 那么, 它必须重新发送框架, 直到它被确认为高优先框架。 如果窗口频道从繁忙到空闲置, 任何站台站都必须不只等待 DIFS 缺口, 并且从窗口进入窗口, 并计算随机的后退时间框架 。 如果源站没有在规定的时间间隔,, 将再次尝试到回收。
802.11 使用二进制索引后退算法。二进制索引后退算法 (一) 从 22 + i 差中随机选取一个,即i 随机从 0, 1,.., -1, 22 + i-er 差中选取一个。 第一个后退算法是从 8 个时段( 而不是两个时段) 随机选取的。 第二个后退算法是从 16 个时段( 而不是 四个时段) 随机选取的。 当网站跨过一个空档时, 它会承认通道。 它可以以两种方式进行。 1. 如果频道被发现不活动, 定时器会继续下勾。 如果检测到忠诚者的援助, 后退计时器的剩余时间将会被冻结, 时间将会继续从闲置时段到 DIFS 时的剩余时间开始运行。 一旦撤退时间减少到零, 整个框架就会交付。
撤销方法的使用并不只在频道是免费的而且该数据框架是第一个传输的框架时才使用后退算法。 在所有其他情况下,都必须使用避免算法。 也就是说, 在传输第一个框架之前, 频道是在繁忙的状态中被识别的。 每次传送成功之后 。
(1) 如果最初的站点有数据需要发送(而不是发送未成功重新发送的数据),而且频道是免费的,则整个数据框架在等待时间后转移。(2) 相反,站点进行CCMA/CA协议的规避算法。一旦发现频道,撤退计时器就被锁定。只要没有时间可以相信,就必须从计时器上倒计时。(3) 当撤退计时器在规定的时间范围内达到零(在信者可能只是闲置的点)时,该站点传送完整框架并等待确认。(4) 如果从发件人获得确认,则已知所提供的框架是由目的地成功获得的。要发送第二个框架,重复步骤(2),进行CSMA/CA避免算法,并随机确定撤退时间。如果源站没有收到确认框架ACC(由再传输计时器调节),则必须重新传送(使用)。
为了更好地处理隐蔽站点的碰撞问题,在频道预约了802.11号,使台站能够传输数据,以便预订频道。
NAV显示在频道返回闲置状态之前完成这一框架传输需要多少时间。 RTS 框架和 CTS 框架的使用将损害网络的总体通信效率,然而,与数据框架相比,成本并不大。 相反,如果不使用这一控制框架,一旦发生碰撞并重新发布数据框架,时间就会损失。
协议还向用户提供三种选择:(1) 使用RTS框架和CTS框架;(2) 仅在数据框架长度超过特定值时才使用RTS框架和CTS框架(很明显,当数据框架本身较短时,使用RTS框架和CTS框架只会增加费用);(3) 不使用RTS框架和CTS框架。
802.11 MAC框架802.11框架分为三类:控制框架、数据框架和管理框架。
框体,即框架的数据部分,不超过2312字节。此数字大大于以太网的最大长度。但802.11字节框架通常少于1500字节。 FCS是框架检查序列的尾巴,总共4字节约为802.11 数据框架的地址802. 数据框架最不寻常的特征是存在四个地址字段。Addr
A站点将数据框架传送到B站点,或路由器R将数据框架传送到C站点,然而,数据框架必须通过APDEIFA传输到B站点,或路由器R将数据框架传送到C站点,然而,数据框架必须通过AP站点。
二. 序列号控制字段有16个位子,序列号子字段有12个位子,碎片子字段有4个位子。 持续时间字段有16个位子。 Frame控制字段包括11个子字段:协议版本字段现在为零。 使用协议版本字段和子类型字段来区分框架的功能。如果显示该框架属于更多分割字段之一,则更多分割字段被设为1。
例如,当频道质量不足时,必须把长框分成几个较短的碎片,以提高传送效率。

台/台台站/台台站之间可变时间间隔,以从一个空的频道(tweak tweak tweak tweak tweak tweak tweak tweak tweak tweak tweak tweak tweak tweak tweak tweak tweak tweak tweak tweak tweak tweak tweak twe tweak tweak tweak tweak tweak tweak tweak tweak weweak tweak weak tweak weak tweak tweak tweak tweak tweak weak weak weak weak tweak tweak tweak tweak tweak weak weak weak weak tweak tak tak tak tak tak tak tak tweak tweak
三、五.3 封闭式出入媒体出入控制:通过协议控制-封闭控制是传播媒体出入控制的另一个手段,按照所有站点都了解和遵守的条例,将控制信号从一个站点转移到另一个站点。
本文由 在线网速测试 整理编辑,转载请注明出处。