最后更新:2021-11-23 17:37:17 手机定位技术交流文章
0 引 言
一个微小的智能家庭应用程序系统网关的数据流动量很小,而一个微小的智能家庭应用程序系统网关的存取方式是简单化的数据流动量很小,而且存取方式简单。它更加多样化,支出更多,而且通常表现更好,现在市场上可以买到它。 大多数网关是用高端嵌入处理器和有预设装置的操作系统建造的。 大量应用程序的设置更为完善,导致价格高涨,使其不适于小规模应用。 本文件意在将利用STM32在智能之家等应用环境中的高价值纳入[1]。 CPU包括一个以上基于TCP/IP的 W5500 Ethernet芯片。 接入模块用于提供低成本和多样化的智能家庭网关。
1 技术架构
智能家庭网关的主要作用是运输和管理必须通过的数据。 WiFi、Blue牙、RJ 45和RS 485终端产品的连通性 相互交流,以进行网络配置、路线管理、数据传输、遥控等工作。 [2]. 这项工作的目的是利用适度的智能家用应用系统 主要需要领域是低成本、快速开采和多模式准入。 图1说明了计划设计的技术框架。

网关硬件,基于STM32F103CT6 CPU。W5500 Ether、ESP8266 WiFi、HC-05蓝牙和其他部件 通过各种通信和网关获得智能家庭终端设备 完整协议转换和数据转发,为W5500选择以太网模块。 WIZnet 创建了 W5500 Ethernet 控制器, 以实现必要的目的 。 以太网控制器使用全面的硬件TCP/IP协议仓储结构。 它演变成一个10/100MEther数据链(MAC)和PHYS,以及10/100M数据链(PHY)。 支持TCP、UDP、IPCMP、ARP、IPv4、IGMP和PPOOE协议。 提供8个独立硬件套件通信客户以及用户名单。 芯片在应用中将能够与以太网连接,缩短和缩短开发时间。 少了成本 [3]。
(1) 基于C/OS-II轻型嵌入操作系统的网关软件实现。
(2) 底部是台网驱动W5500和蓝牙驱动HC-05。ESP8266 WiFi驱动器以及其他外部I/O驱动器
(3) 在申请一级,根据业务要求,有网络配置、协议转换等。 路线管理、数据传输、遥控和其他职能
2个重要硬件电路设计
2.1 主控模块
主模块主要负责协议翻译和数据传输。作为核心处理清单,使用基于M3内核的STM32F103BCT6硬件。 ,创造时钟电路,重置电路, 开始模式选择电路, 和社署电路。 例如,模拟调试电路。 [4] 。
W5500 Ethernet 2号单元
图2描述了基于 W5500 的以太网模块电路。W5500芯片,10位/100位网络模式 用于选择电路, 以25兆赫、双数字电路、SPI接口和电源过滤电路结构运行的时钟电路 SCSn、SCLK、MISO、MOSI和W5500 SCSn、SCLK、MISO、MOSI和W5500 SCSn、SCLK、MISO、MOSI和W5500 SCS、SCLK、MISO、MOSI PA4、PA5、PA6、PA6和PA7与机器TM32F103CBT6的连接 W5500 通过与STM32F103BT6主机的 SPI 接口; TX+、TX-、RX+和RX-RJ 45差异信号与隔离变压器有关。 与其他网络设备的连续通信接口。
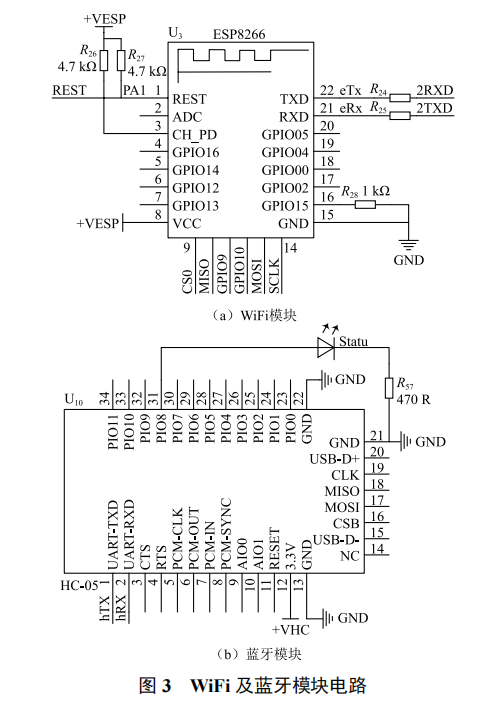
WiFi和蓝牙模块2
图3描述了无线网络和蓝牙模块的电路。ESP8266 WiFi模块及其电源控制电路。 通过两线连线连接STM32总控制模块,HC-05已达到。 模块初始化配置还利用AT指令提供数据,最终生成。 图4说明了网关。



3 硬件驱动开发
3.1.1 W5500网络驱动器
W5500是一个网络芯片,运行一个硬件TCP/IP协议。STM32 建立W5500 SPI接口和相应的登记册,使网络连接成为可能。 图5. 启动W5500 配置模式注册( MR), 中断屏蔽注册( IMR), 并重现 。 发送器和中继器之间需要有网络连接。 配置硬件地址登记册(SHAR)、网关地址登记册(GAR)和网关地址登记册(GAR)。 主机IP地址登记册(SIPR),子网遮罩器(SUBR)。
三.2 系列无线网络和蓝牙司机
这是STM32F103BCT6的三个不同入口的文本。计数, COM1 被留作连接PC或其他序列装置的备份; COM2 被留作连接PC或其他序列装置的备份。 串行配置流程,图6:通过COM3将无线上网连接到蓝牙模块。 设计时钟设置, I/ O 与 I/ O 的 Ix 、 Rx 的 I/ O 与 I/ O 重新映射, 如前所述 初始化序列端口模块,以便根据 I/O 的功能模式和速度进行传输和接收。 破坏和串通

4 应用案例
可利用上述网关和Yeelink云平台建立简单对象网络。如何通过应用系统 收集和使用温度数据 用于整个环境 数据上传到Yeelink云平台,可通过网页或应用程序查看。 例如,远程温度和湿度采集系统界定了独特的实现程序。先推进。 图7说明了温度湿度管理系统,即温度湿度传感器的构造。 目标网络网关、网络和DHT11(前STM32网关板传感器)。 环境平台和Yeelink云。

安装硬件,并按照“启动 DHT11, W5500” 配置。网络连接特性——读DHT11热湿度数据(分5秒)——将是温暖和湿润的。 为上传至Yeelink云平台的 HTTP 数据包提供度数据信封至 HTTP 数据包 完成程序开发和软件配置的(POST方法)阶段,即: 图8显示了从Yeelink云平台获取温度和湿度数据的界面。

5 结 语
这项研究以STM32为基础,旨在简化智能之家的运作。 例如,设计嵌入处理器和硬件TCP/IP协议网络芯片W5500。 有个小网关 可以连接到RJ 45 WiFi 蓝牙和其他网络 该网关使用硬件TCP/IP软件,可容纳最多8次TCP/IP客户访问。 请求并保留各种接口,便于查阅,投资回报率高,可用于微小的情报。 迅速发展以家庭为基础的应用系统和其他网络应用系统。
本文由 在线网速测试 整理编辑,转载请注明出处。