最后更新:2021-12-02 23:40:54 手机定位技术交流文章
(Serial Peripheral interface)摩托罗拉已经定义了它。一部全时、同步的通讯巴士 与连环外围装置连接您需要四个信号来保存您的脚和 PCB 的布局。 正是由于这个简单的特征, 越来越多的芯片,如FLASH、AD转换器等等, 现已被纳入 SPI 通信协议 。SPI接口一般在四个信号线上相互作用:
[SDI 表示数据输入;SDO 表示数据输出;SCK 表示时钟;CS 表示电影选择]

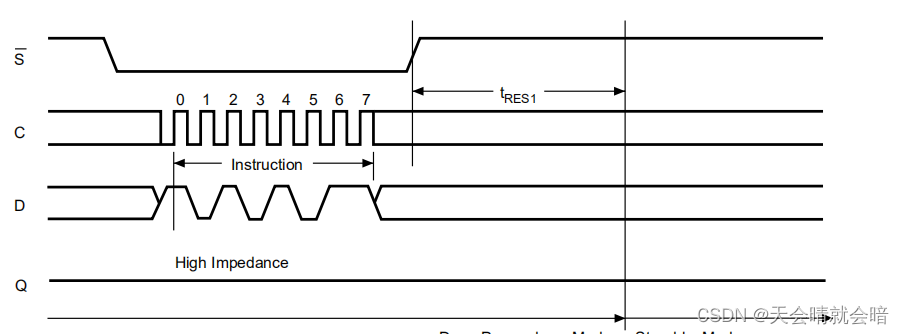
斯皮尔主机和服务器上都有序列迁移登记册,主机开始通过将字节记录到其斯皮尔公司序列记录器进行传输。

SPI 完全基于主模式和模式,没有字词可以读或写,外部写和读操作是同步的。如果只是写,主机只是忽略收到的字节;如果只是读,则必须给空字节来启动机器的传输。 [同步]
原理图
[SPI] SPI公共汽车电线杆
CPOL=1:表明自由时间处于高水平;传输开始后的第一个时钟下降。
CPOL = 0: 表示闲暇时间处于低水平; 开始联系后的第一个时钟开始。
数据传输往往从跳线开始,这表明随着数据传输,数据会下降或上升。
[CPHA] SPI公共汽车阶段
CPHA = 0: [节目以第一次跳跃开始]
CPHA = 1 :
(CPOL = 0;CPHA = 0) 模式
CPOL=0;CPHA=1)
(CPOL=1;CPHA=0) 模式2
(CPOL=1;CPHA=1)方式3
四种模式表:
| 模式 | CPOL【极性】 | CPHA【相位】 | 描述 |
|---|---|---|---|
| 0 | 0 | 0 | 当自由、低空时钟前方取样 [上或初跳] |
| 1 | 0 | 1 | 免费的时候是低水平的 时钟后面是样本 |
| 2 | 1 | 0 | 当自由、高水平、时钟前方取样时 [下跳或第一次跳] |
| 3 | 1 | 1 | 它是高层次的,当它是免费的, 和时钟跟随一个样本。 |
逻辑图
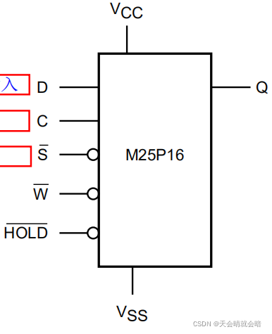
信号说明
| 信号名称 | 英文 | 描述 |
|---|---|---|
| C | Serial Clock | 串行时钟 |
| D | Serial Data Input | 串行数据输入 |
| Q | Serial Data Output | 串行数据输出 |
| S_N | Chip Select | 片选 |
| W_N | Write Protect | 写保护 |
| HOLD_N | Hold | 保持 |
| VCC | Supply Voltage | 电源电压 |
| VSS | Ground | 接地 |
信号作用:
SPI公共汽车的主要公共汽车和储存设备
书面保护(W)和保持(HOLD)信号应定在适当的高值或低值。
将命令和数据输出序列改为识别符号(RDID)。
RWDI(申请残疾)命令
发出WREN指挥命令
Read State Memory (RDSR) 命令和数据输出序列
写入状态记忆( WRSR) 命令序列
读取数据字节(READ)和数据输出序列的指令序列
容易读取的命令和数据输出序列
页编程指令
区擦除命令( SE)
批次执行命令命令( BE)
深分解模式(DP)
[Res] 释放深度分解模式
SPI总线工作模式
SPI公共汽车有四种传输方式。
本文由 在线网速测试 整理编辑,转载请注明出处。