最后更新:2022-01-24 04:22:05 手机定位技术交流文章
路由器工作原理(一),1_路由器原理和作用ppt,无线路由器原理图.pdf 8页,无线路由器原理图.pdf 8页,无线发射器电路图及工作原理分析,小编整理了路由器发射的原理图(路由器灯亮的正常图),欢迎阅读收藏。

【干货】3分钟读懂路由器工作原理及其主要部件,看不懂来干架!

路由器工作原理(一)

s3c2410路由器整体结构框图

1_路由器原理和作用ppt
本文主题内容是:路由器发射的原理图(路由器灯亮的正常图)

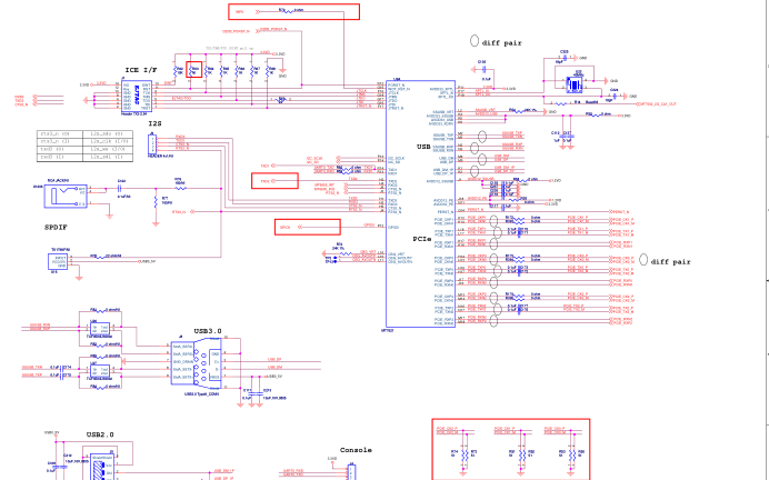
mt7628_mt7612e智能路由器原理图电路图资料

无线路由器原理图.pdf 8页

mt7621无线路由器的物料清单和原理图及布局和使用资料说明

无线路由器原理图.pdf 8页
本文由 在线网速测试 整理编辑,转载请注明出处。