最后更新:2022-04-13 10:28:33 手机定位技术交流文章
一. PoE开关芯片,Wikion RPC304A 确切地取代台湾的九套IP804A和薛华系列产品模式:波网开关、路由器服务器等等,以及主电和九套IP804 PIN网际电源芯片。
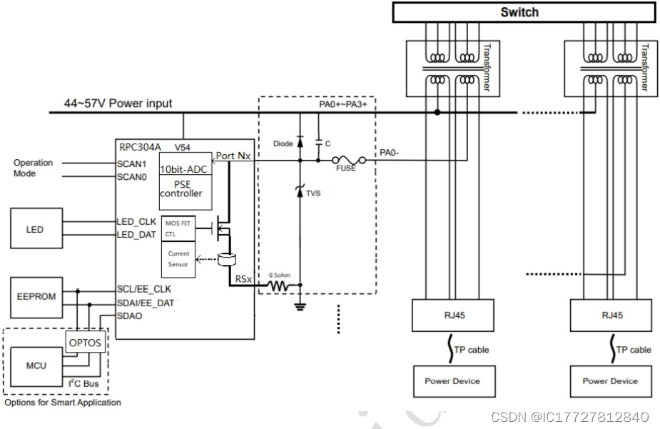
二、RPC304A 模型
Rui Pukang的RPC304A PoE芯片发挥以下功能:
符合IEE标准802.3AF-2003和802.3AT-2009
一个电源供应,电压范围为4457V和一个独立的四路供电港口
支持四个独立的电力港。
内建FET功率管。
实时短路和超温度保护
空载检测
超载和限流保护
可配置和受电力限制的港口电力
总电流限制
3.3V LDO 内置
有了I2C接口,还有多达8xRPC304A级联的接口。
48 Pin(7毫米x7毫米)Q FNF 封装和温度范围:-40~85℃ Type Description Type Description
P Power or Ground NC No connection in internal
I Input I/O Input or output
O Output OD Open drain
表 1 管脚描述
Pin
NO.
Pin name Type Description
EPAD P 裸体焊接集团
1 NSTD I
一旦重置电源,POE模式就会被监管和锁定。
POE 标准模式: 0
2:非POE模式
2 RS0 I RS0,不包括对AGND的0.5%抗药性。
3点1分 - - - - - - - - - - -
4 RS1 I RS1,外部对AGND的抗药性为0.5%的5倍。
5 PortN1 I Port1是一个负输入端口。
6 AGNDP模拟站点
7 RS2 I RS2,外部对AGND的抗药性为0.5%的5倍。
8号2号1号2号2号2号2号2号2号2号2号2号2号2号2号2号2号2号2号2号2号2号2号2号2号2号2号2号2号2号2号2号2号2号2号2号2号2号2号2号2号2号2号2号2号2号2号2号2号2号2号2号2号2号2号2号2号2号2号2号2号2号2号2号2号2号2号2号2号2号2号2号2号2号2号2号2号2号2号2号2号2号2号2号2号2号2号2号2号2号2号2号2号2号2号2号2号2号2号2号2号2号2号2号2号2号2号2号2号2号2号2号2号2号2号2号2号2号2号2号2号2号2号2号2号2号2号2号2号2号2号2号2号2号2号2号2号2号2号2号2
9 RS3 I RS3,外部对AGND的抗药性为0.5%的5倍。
10个港口 10个港口 1个港口3 - - - - - - - - - -
11 NC NC /
12 NC NC /
13 SCAN0 I/O 工作模式配置
14 SCAN1 I/O 工作模式配置
对于内部偏差, 15 VREXT O外, 62K 1% 抵抗RGND。
16 RGND P模拟参考,收到AGND
AGND的1个外部UF电容器,17 V54 P高压电源
AGAND P 18模拟场地
AGND 19 V5 P 5V P 5V LDO 输出的外部能力
20 V3P3 P
3.3V输入或输出需要外部4.7uF电容器到AGND。
当3V模式可用时,内部LDO输出为3.6mA。
RPC304A目前正在使用。
V1P8P中的5VLDO输出值,除4.7UF 设计设计设计组设计设计设计设计设计设计设计设计设计设计设计设计设计组的4.7UF 能力者外
P Power or Ground NC No connection in internal
I Input I/O Input or output
O Output OD Open drain
表 1 管脚描述
Pin
NO.
Pin name Type Description
EPAD P 裸体焊接集团
1 NSTD I
一旦重置电源,POE模式就会被监管和锁定。
POE 标准模式: 0
2:非POE模式
2 RS0 I RS0,不包括对AGND的0.5%抗药性。
3点1分 - - - - - - - - - - -
4 RS1 I RS1,外部对AGND的抗药性为0.5%的5倍。
5 PortN1 I Port1是一个负输入端口。
6 AGNDP模拟站点
7 RS2 I RS2,外部对AGND的抗药性为0.5%的5倍。
8号2号1号2号2号2号2号2号2号2号2号2号2号2号2号2号2号2号2号2号2号2号2号2号2号2号2号2号2号2号2号2号2号2号2号2号2号2号2号2号2号2号2号2号2号2号2号2号2号2号2号2号2号2号2号2号2号2号2号2号2号2号2号2号2号2号2号2号2号2号2号2号2号2号2号2号2号2号2号2号2号2号2号2号2号2号2号2号2号2号2号2号2号2号2号2号2号2号2号2号2号2号2号2号2号2号2号2号2号2号2号2号2号2号2号2号2号2号2号2号2号2号2号2号2号2号2号2号2号2号2号2号2号2号2号2号2号2号2号2号2
9 RS3 I RS3,外部对AGND的抗药性为0.5%的5倍。
10个港口 10个港口 1个港口3 - - - - - - - - - -
11 NC NC /
12 NC NC /
13 SCAN0 I/O 工作模式配置
14 SCAN1 I/O 工作模式配置
对于内部偏差, 15 VREXT O外, 62K 1% 抵抗RGND。
16 RGND P模拟参考,收到AGND
AGND的1个外部UF电容器,17 V54 P高压电源
AGAND P 18模拟场地
AGND 19 V5 P 5V P 5V LDO 输出的外部能力
20 V3P3 P
3.3V输入或输出需要外部4.7uF电容器到AGND。
当3V模式可用时,内部LDO输出为3.6mA。
RPC304A目前正在使用。
V1P8P中的5VLDO输出值,除4.7UF 设计设计设计组设计设计设计设计设计设计设计设计设计设计设计设计设计组的4.7UF 能力者外
P Power or Ground NC No connection in internal
I Input I/O Input or output
O Output OD Open drain
表 1 管脚描述
Pin
NO.
Pin name Type Description
EPAD P 裸体焊接集团
1 NSTD I
一旦重置电源,POE模式就会被监管和锁定。
POE 标准模式: 0
2:非POE模式
2 RS0 I RS0,不包括对AGND的0.5%抗药性。
3点1分 - - - - - - - - - - -
4 RS1 I RS1,外部对AGND的抗药性为0.5%的5倍。
5 PortN1 I Port1是一个负输入端口。
6 AGNDP模拟站点
7 RS2 I RS2,外部对AGND的抗药性为0.5%的5倍。
8号2号1号2号2号2号2号2号2号2号2号2号2号2号2号2号2号2号2号2号2号2号2号2号2号2号2号2号2号2号2号2号2号2号2号2号2号2号2号2号2号2号2号2号2号2号2号2号2号2号2号2号2号2号2号2号2号2号2号2号2号2号2号2号2号2号2号2号2号2号2号2号2号2号2号2号2号2号2号2号2号2号2号2号2号2号2号2号2号2号2号2号2号2号2号2号2号2号2号2号2号2号2号2号2号2号2号2号2号2号2号2号2号2号2号2号2号2号2号2号2号2号2号2号2号2号2号2号2号2号2号2号2号2号2号2号2号2号2号2号2
9 RS3 I RS3,外部对AGND的抗药性为0.5%的5倍。
10个港口 10个港口 1个港口3 - - - - - - - - - -
11 NC NC /
12 NC NC /
13 SCAN0 I/O 工作模式配置
14 SCAN1 I/O 工作模式配置
对于内部偏差, 15 VREXT O外, 62K 1% 抵抗RGND。
16 RGND P模拟参考,收到AGND
AGND的1个外部UF电容器,17 V54 P高压电源
AGAND P 18模拟场地
AGND 19 V5 P 5V P 5V LDO 输出的外部能力
20 V3P3 P
3.3V输入或输出需要外部4.7uF电容器到AGND。
当3V模式可用时,内部LDO输出为3.6mA。
RPC304A目前正在使用。
5V V1P8P V1P8P的5V LDO产出,除AGND4.7.7.uf能力外
应用方案:
私人通信可以提供更广泛的信息;伙伴关系可以赢得胜利,伙伴关系可以很好,相互学习共同增长、核心成就职业,专业人员可以承担巨大的负担。
本文由 在线网速测试 整理编辑,转载请注明出处。