最后更新:2022-04-13 23:25:53 手机定位技术交流文章
1. MC协定的目标如下:
启用外部设备在内部 PLC 上读写 PLC 登记册。
2、协议格式:
通信形式为RS 485和TCP/IP,形式有多种,包括3E、3C、4C、4E、二进制和ASCII信息,如下文所示。TCP/IP+3E+二进制通信方式。
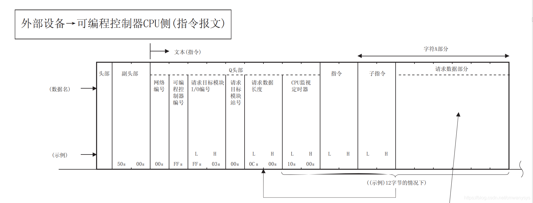
发送帧格式:

响应帧格式:

例如,将命令写入D700软件,其值为H00C。
500 FF 03 00 00 00 00 00 10 00 01 14 00 58 1B 00 A8 01 00 0C 00
D00 FF 0300 0200 D00 FF 0300 D00 FF 00
发送帧内容解析:
响应帧内容解析:

示例:读取从D700开始的五个相继软件组件的值,以 0C 为最终书面编号。
500 FF 0300 0C 00 00 00 01 004 00 00 58 1B 00 A8 05 00 00 发送框架内容: 500 FF 0300 0C 00 00 00 01 04 00 00 58 1B 00 A8 05 005
100 00 00 00 00 00 00 00 00 00 00 00 00 00 00 00 00 00 00 00 00 00 00 00 00 00 00 00 00 00 00 00 00 00 00 00 00 00 00 00 00 00 00 00 00 00 00 00 00 00 00 00 00 00 00 00 00 00 00 00 00 00 00 00 00 00 00 00 00 00 00 00 00 00 00 00 00 00 00 00 00 00 00 00 00 00 00 00 00 00 00 00 00 00 00 00 00 00 00 00 00 00 00 00 00 00 00 00 00 00 00 00 00 00 00 00 00 00 00 00 00 00 00 00 00 00 00 00 00 00 00 00 00 00 00 00 00 00 00 00 00 00 00 00 00 00 00 00 00 00 00 00 00 00 00 00 00 00 00 00 00 00 00 00 00 00 00 00 00 00 00 00 00 00 00 00 00 00 00 00 00 00 00 00 00 00 00 00 00 00 00 00 00 00 00 00 00 00 00 00 00 00 00 00 00 00 00 00 00 00 00 00 00 00 00 00 00 00 00 00 00 00 00 00 00 00 00 00 00 00 00 00 00 00 00 00 00 00 00 00 00 00 00 00 00 00 00 00 00 00 00 00 00 00 00 00 00 00 00 00 00 00 00 00 00 00 00 00 00 00 00 00 00 00 00 00 00 00 00 00 00 00 00 00 00 00 00 00 00 00 00 00 00 00 00 00 00 00 00 00 00 00 00 00 00 00 00 00 00 00 00 00 00 00 00 00
以下图象描述了软件元件的名称与基本QCPU软件代码之间的关系,QCPU分为ASCII和二元系统;其他类型可在MELSEC通信议定书参考手册中找到。

指令及子指令列表

如果传输格式不正确, PLC 将错误信息发送返回框架, 错误信息必须在相应的 PLC 手册中调查, 如三菱LCPU系列错误的下图, 该图允许检查错误类型, 以纠正问题 。


本文由 在线网速测试 整理编辑,转载请注明出处。