最后更新:2022-05-22 07:33:53 手机定位技术交流文章
2019年推出的PN 8161+PN8307H 20WPD快速装载方案高度一体化、业绩高、成本效益高。获倍思、品胜、 麦多多 、 毕亚兹 世界上许多最受欢迎的品牌,如昆兴、古石和SSPK King,近年来被欢迎。它已经演变成一种以现象为基础的近似产品。
iPhone系列13的电源是20W越来越多的 数码产品 更需要充电。下一个意外收益是 30WPD快速。然而,在20W至30WPD更新期间许多问题困扰着电力工程师的朋友。如果功率密度增加五倍以上温度上升和EMC难以平衡;次SR压力从60V增加到100V。分离方案器件多,平面图具有挑战性;对原SSR芯片电力供应的调整范围从3.到6倍以上不等。除其他外,LDO常规电力供应选择对效率有影响。
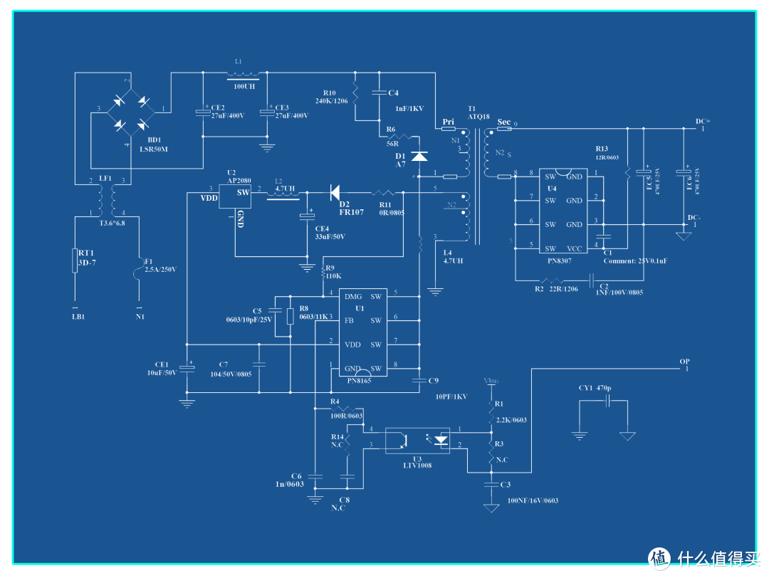
针对这些问题,新的30WPD包件:PN8165+PN8307H最近被释放。在匹配部门,一个更简化的SOT23-3靴芯片AP2080。在保持20W型PN8161+PN8307型爆炸包件的各种惠益的同时,可以取得完全兼容性。帮助电力工程师朋友将输出功率从20W提高到30W。在此显示程序亮点、 测试数据和应用部件 。
该软件包括高电压启动和高电压控制PN8165,已纳入650V0。 55个智能MOSFET不需要外部触发电阻和CS阻力,这简化了电线,提高了该市低电压下的转换效率。

PN8165可选SOP8或PDFN5x6封装,最高开关频率125kHz,内置高压启动,空载待机功耗<50mW,采用改善EMI的频率调制技术,供电电压9-38V,适合宽输出电压应用。
为了确保充电器的安全运行,PN8165支持若干安全措施,如超温防护、出口超压防护、出口低压防护、逐循环保护、出口短路防护、分流短路预防、超载防护等。

PN8307H符合PN8165的控制。还有两种SOP8或PDFN5x6的可能性。这篇文章是全球之声在线特稿的一部分。这篇文章是全球之声在线特稿的一部分。从那时起,摩菲特·罗德森一直在使用死区控制系统的更多电力。显著降低温升。

AP2080 推动芯片也被纳入该方案。兆赫开关频率用于COT控制技术。这是历史上第一次将世界能源储备降至0805的水平。PN8165电源设定为1135V。在20-25伏以下产出电压下,转换效率大幅度提高。

以上图像是一个例子,说明如何利用QR控制战略和各种创造性战略的结合,如自我适应震动+智能动力装置等,来改进一个能够随时释放超过6dB辐射的系统的EMC性能。

PN 816x/PN8307x使用同样的全系列芯片脚姿势,SOP8/PD FN提供可配置的信封选择,以方便电动设备的序列设计和安装认证。

变压器是用ATQ18骨架建造的,上面图中描述了这些骨架的铁丝结构,Pins 1-5的电感应为370 uH。

如上图所示,30 WPD包件的模版非常紧凑,只测量36毫米x38毫米x18毫米,尺寸为36毫米x38毫米x18毫米。
第二,30WPD一揽子方案的待命能力受到了考验。

30WPD包件方案在核心烟火技术一级进行的在职电源测试显示,在5V0A 230V时,现有容量约为50mW,符合75mW能源效率标准。

在下一次效率测试中,首次审查了20V产出下的效率绩效,观测到一个核心烟火30WPD包,20V1为115V,230V用于电压,5A的产出效率超过89%,能效条例方面超过2%。

在对15V产出进行效率业绩测试期间,当电压定在115V时,30W PD包件出现在核心标点中。15V 2A的产出效率超过90%。当电压为230V时, 15V 2A的输出效率接近90%。这相当于能效规范的3%左右。

在12V产出效率绩效测试中,当电压定在115V时,30W PD包件出现在核心标点中。12V2.5A的输出效率接近91%。当输入电压为230V.5A时,输出效率接近90%。这与能效条例的3%和大约2%形成对照。

在9V产出效率绩效测试中,当电压定在115V时,30W PD包件出现在核心标点中。9V 3A的产出效率接近91%。当电压为230V时, 9V 3A的输出效率超过89%。这与能效条例的4%和大约2%形成对照。

在5V产出效率绩效测试中,当电压定在115V时,30W PD包件出现在核心标点中。5V 3A的产出效率超过89%。当电压为230V时,5V 3A的输出效率超过87%。这与能效条例的7%和大约5%形成对照。

在产出电压方面,在一系列工作情景下,试验核心烟火30WPD包达到并超过低于100mV的标准。
电动设备的压力测试是输入电压264Vac进行通信,输出标准为20V1.5A。

根据压力测试,PN8165的最大电压为590V,这已经足够。

如压力试验所示,8307HPN的最大电压为86.8V。
温升测试方面,在各种输入输出设置下,对30-W PD套半机械纳米烟火炉进行温度性能测试。CH1是PN8165,CH2是BD1,CH3是PN8307H,CH4是AP2080,CH5是T1(磁核心),CH6是T1(电荷袋),CH8是环状温度。

经过1小时30分钟的测试,环境温度稳定在42.8°C,PN8165稳定在101.5°C,PN8307H稳定在89.9°C,APP2080稳定在80.0°C。

在出口5A.3°C时进行了3小时测试之后,环境温度稳定在23小时,PN8165稳定在102.8°C,PN8307H稳定在93.4°C,AP2080稳定在79.3°C。

在用90Vac、15V 2A输出进行一个小时的试验后,环境温度稳定在23.4°C,PN8165稳定在103.0°C,PN8307H稳定在93.7°C,APP2080稳定在81.6°C。

在对264Vac、15V2A输出物进行50分钟试验后,环境温度稳定在23.0°C、102.4°C时PN8165、95.9°C时PN8307H和78.9°C时APP2080。

经过10分钟的试验,环境温度稳定在23.4°C,PN8165稳定在101.3°C,PN8307H稳定在95.9°C,出口时APP2080稳定在80.5°C。

经过一个小时的测试,环境温度稳定在23.5°C,PN8165稳定在105.1°C,PN8307H稳定在100.5°C,APP2080稳定在79.9°C。

在90V时,对90Vac时的9V 3A输出进行了一小时的评估,环境温度稳定在23.1°C,PN8165稳定在97.4°C,PN8307H稳定在97.1°C,APP2080稳定在78.0°C。

在对264Vac、9V 3A输出进行50分钟试验后,环境温度稳定在23.0°C、103.0°C时PN8165、101.8°C时PN8307H和78.2°C时APP2080。
EMC测试方面,EMI传输30WPD包件,辐射符合EN5532玻璃B标准。ESD达到IEC 6100-4-2;数量大于6dB。EFT满足IEC 6100-4:2004, 8kV/15kV标准。Surge Community IEC 6100-4-5:2005 要求4kV的职等要求为4kV。交换绝缘符合3.75kVac的要求,同时符合2kV的要求。
如果20W方案PN8161+PN8307是一个巨大的成功,如果20W方案PN8161+PN8307是一个巨大的成功,这将是一个巨大的成功。 下一代 如何使物品持续更长的时间?芯朋微用 黄金搭档 解决办法是PN8165+PN8307H。在牵线生意中, 高尺度的 SGT23 -3鞋芯片AP2080。不仅保留了20W PN8161+PN8307的许多好处。也与20W计划完美配合协助电动工程师朋友顺利地从20瓦增加到30瓦。
本文由 在线网速测试 整理编辑,转载请注明出处。