最后更新:2022-07-22 10:02:21 手机定位技术交流文章
下载源文件:+-5V DC DC DC电压电源电路 - 其他文档类型资源 - CSDN图书馆
目 录
摘 要. 1
一、设计任务和基本要求. 2
二、进度安排. 2
三、报告正文. 3
整流电路的设计
2 滤波电路设计. 4
稳压电路的设计
三端集成稳定器模块.
综合稳定剂的参数关系。
情况已经解决了
自我 评价.
1 总结. 12
2 展望未来. 12
备忘录13
六,参考文献。
附件十五
随着科技的发展,电子设备广泛应用于日常生活、科学研究、学习等领域。电力是电力和电子设备的能源供应的重要组成部分,其需求日益增多,同时,电力源的功能、稳定性和其他指标也需要提高。电力源的研究与开发已成为发展新技术和新设备的重要环节。它对推动科技发展起着重要作用。设计直流稳压电源,通过相关知识,可以计算电路中的各个设备的参数。为实现电路性能所需的电压调整率,电流调整率,负载调整率,各种指标,如波长电压。利用 Multisim 仿真软件用于仿真和测试设计的电路.使设计达到要求。
直流稳压电压供电的设计思想是: 220V,50HZ交流 通过变压器将交流电压降低到适当的交流电压,然后通过整流电路将交流变为直流电路,然后, 直接电流交换部件通过滤波电路滤出.最后, 将由集成稳定器组成的电压电路转换为稳定的直流输出.集成稳定器具有小体积、轻量、易安装和调试、可靠性和高稳定性的优点。
关键字:多sim 、 电力源 、 稳压 、 校正 、 滤波器
DC稳压电源的设计报告
(1)设计一个集成的直流稳压电源电路。
(2)输出直流电压±5V。
(三)绘制逻辑电路图, 模拟电路, 并写简要报告.
220V,50HZ交流 |
LM317稳压 |
电压输出 |
降压与整流 |
系统组成框图
12周: 回顾电子电路的相关知识,了解直流稳压电源的组成和工作原理.
第13周: 审查和收集有关这个主题的信息.
周14: 设计直流稳压电源以满足性能指标的要求.
第15周: 分析设计电路的工作原理, 计算组件参数和选择组件.
第16周: 模拟和调试设计的电路.
第17周: DC电源设计与仿真概述。
第18週:討論和報告。
三、报告正文:
1.整流电路的设计
选择1:采用半波整流电路
半波整流电路如图2所示,半波整流电路只利用电源输出电压的正半周,电源的利用效率非常低,会带来很大的资源浪费,它仅在高电压、小电流等少数情况下使用,--般半波整流电路电源电路中很少使用。

图2半波整流电路图
选择2:采用全波整流电路
全波整流电路图见图3。整波整波电路中每个整波电极上流的电流仅占负荷电流的一半,少于半波整修-双倍,它使用了十多个用于半波修正的修正器。全波整流电路的电压脉冲较小。变压器的利用率远远高于半波整流,整流器能承受的逆压高。但整波整流器需要一个特殊的变压器才能正常工作。变压器需要一个二次旋转,一个中央抽屉,做这件事更麻烦了。

图3全波整流电路图
选择3:采用桥式整流电路
如图4所示,桥梁整修电路,这个整流电路使用普通变压器,两个整流电极比传统的全波整流电路更常使用。因为整流电极由四个连接形成一个电桥,因此,它被称为桥式整修电路。桥整修器中使用的桥整修器比全波整修器多两倍。然而,每个设备的逆电压较小,它广泛应用于直流稳压电源的设计.

图4桥梁整流电路图
考虑到上述三种方案的优缺点,我们决定采用第三种方案:桥式整流电路。
2.滤波电路的设计
选择1:电感滤波电路
图5所示的传感器滤波电路,电感滤波电路是利用电感对脉动直流的反向电动势来达到滤波的作用,电感量越大,其滤波效果越好。电感滤波电路带负载能力较好,它主要用于大型的负荷电流。如果你忽略了传感器圈的直流电阻,负荷的电流电压基本上与没有过滤的负荷的电流电压相同。电感滤波电路的输出电压不足以滤波.在电感滤波电路中,峰值电流很小,整流管的导角较大,输出特性比较平坦,但因为铁心,笨重、体积大,容易引起电磁干扰,电感滤波电路仅用于低压和高电流场.

图5 电感滤波电路
选择2:采用RC滤波器电路
RC滤波电路如图6所示,它由两个电容和一个电阻组成,它也被称为π型R.C.滤波器电路。该滤波器电路由电阻R1增加,交换波在R1.Up中共享。R1和C2越大其滤波效果越好,但R1过大又会造成压降过大,减小了输出电压。在RC滤波电路中,一般来说,R1应该比R2小得多。

图6 RC滤波器电路图
选择3:LC滤波电路
如图7所示,LC滤波电路是与RC滤波电路相对于的滤波电路类型的滤波电路。该滤波电路的优势在于它结合电容滤波电路的微波带负载容量特性和电感滤波电路特性。

图7LC滤波器电路图
第四选择:采用电容滤波电路
图8所示的容量滤波电路,容量滤波电路是利用电荷和放电原理进行滤波的功能。电容滤波电路简单,纹波较小,负荷电压相对较高,适用于较高的负荷电压,在负荷变化不大的情况下,电容滤波电路的使用也减少了电路设计工作.由于电感的数量和生产成本,大多数滤波电路使用容量滤波。

图8电容滤波电路
根据上述电路比较分析,选定了电容滤波电路。
3.稳压电路的设计
稳压电路的功能是为电路提供更稳定的直流.整流器滤波器电路的输出电压和理想直流源也有一些差异。有两个主要原因:第一,当当前的负载变化时,由于整流器滤波器电路的内部阻力,输出电流电压将相应改变;其次,当网格的电压波动时,整流器电路的输出电压与变压器的下位电压有直接关系。因此,输出电流电压也会发生变化。
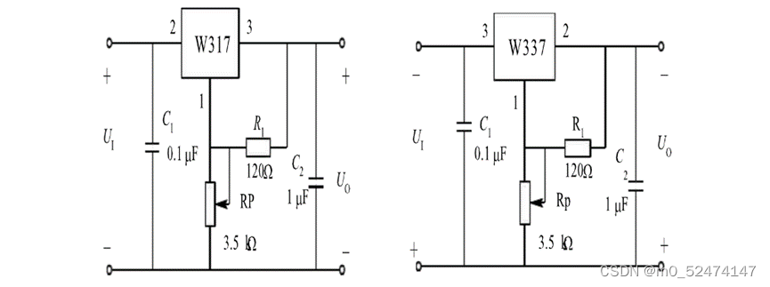
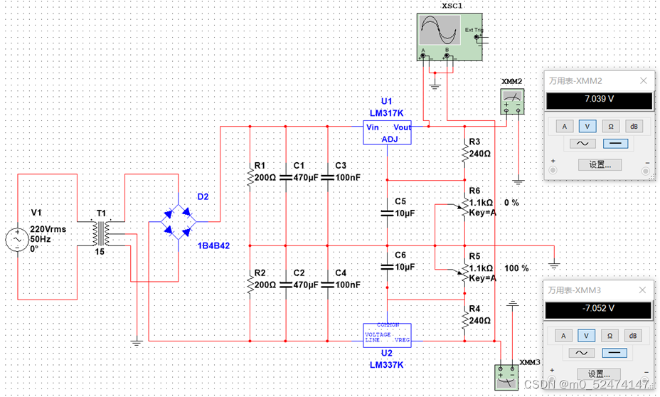
根据设计任务的要求,利用可调式三端集成稳压器LM317和LM337组装的电路可对称输出士5v的直流电压。进一步改进为组装输出连续可调的士1.2v-士7v。
4.可调节的三边一体化稳定器
可调节的三向综合稳定器克服了固定三向稳定器输出电压的缺陷,并继承了三向综合稳定器的一些优点。可调式三端集成稳压器CW317 和CW337是一种悬浮式串联调整稳压器, 317系列集成稳压器能够输出连续可调的正电压,337系列的集成稳定器能够产生可调节的负压。如图9所示,图10所示的内部电路,图11显示了典型的应用电路。

图9CW317和CW337的挤出

图10模块式三面集成稳定器内部原理图

图11CW317和CW337的典型应用
在实际的应用当中,为了保持电路正常运行,317和337系列稳定器通常产生电流不超过5mA。其输入电压范围为2至40V,输出电压可为1。 可调节25V至37V之间,负荷电流可达到1.5A,因为调节端子的输出电流非常小且恒定,因此可以忽略,因此输出电压可以如下表示(1):
(1)
在上式中,1.25V是集成稳块输出和调节端之间的内部参考电压,将此电压加到给定电阻R1的两端,会产生一个恒定电流通过输出电压调节电位器Rp,通常电阻R1:取值为120Ω ~ 240Ω,根据LM317输出电压表达式,注:R1=2.2k,R2=2k。Rp一般使用精确电容器,与电容器C相连,通过摩擦波进一步降低输出电压。
模块化稳定器内有过流和过热保护电路,具有安全可靠,性能优异,易损,方便使用等。其电压调节率和电流调节率优于由固定集成稳压组成的可调节的稳压电源。LM317系列和1M337系列基本上具有相同的拖动功能。
LM317的一些特性参数如下:
(1)输出电压可调节范围:1.2V~37V;
(2)输出负荷电流:1.5A;
(3)输入输出工作压力差为U=Ui-U.3–40V。
综合稳定剂的参数关系
在直流稳压电源的设计当中,集成稳压器的输出电压Uo应与稳压电源要求的输出电压的大小及范围相符。稳压器的最大允许电流I < Io max,稳压器的输入电压Ui以满足下式(1)。
Uo max+ (Ui-Uo) min≤Ui≤Uo min+ (Ui-Uo) max (1)
在式(1)当中,Uo max是稳定的电源的最大输出电压; Uo min是稳定的电源最低输出电压; (Ui-Uo) min是稳定的电源最低输入输出电压差; (Ui-Uo) max是稳定的电源的最大输入输出电压差。
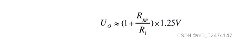
模块化三面集成稳定器输出电压Uo满足以下要求(2)
Uo = 1.25×( 1 + RpR1 )(2)
四、完成情况
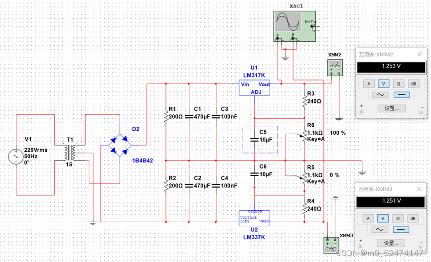
1.DC电压输出电路模拟
采用Multisim仿真软件对所设计的电路进行电路仿真,仿真运行结果如图12:

图12.2v-S7v直流电压对称输出电路多sim模拟效应
S1.图13所示的2v直流电压输出实用程序表,第1节.图14所示的2v直流输出指示器,图15所示的S7v直流输出实用程序图,图16所示的S7v直流输出指示器。

图13.2v直流电压输出通用显示

图14.2v直流电压输出指示器显示

图15通用7V直流电压输出显示器

图16S7v直流输出指示器显示
五、自我评价
1.总结
在当今电子技术的飞速发展中,几乎所有的电子设备都无法与直流稳压电源分开,这也是这项研究的真正意义。
在课程设计过程中,首先,根据直流稳压电源的特点,对直流稳压电路相关数据进行收集和选择。重新组织收集的资料,然后初步确定了一系列电路设计方案,经过 几 次 可行性 讨论 和 方案 的 修订,最后, 确定了最后的设计方案.当设计计划确定时,进行详细设计,在仿真软件环境中给出了必要的电路原理.然后学会使用Multisim模拟软件,最后, multisim用于模拟和调试设计的电路。
我在设计过程中也遇到了许多困难,在模拟和运行电路的过程中,有许多模拟步骤没有取得成功,一方面,仿真软件还不够熟悉,另一方面,由于他设计的电路本身是错误的,但在进一步研究仿真软件之后,修改某些组件的参数设置,我把所有这些问题都逐一解决了,这 一 进程 需要 相当 耐心 。
通过设计直流稳压电源,我对电源的原理和性能有了更深的了解。它的结构组成和参数计算比较熟悉.例如,积分电路部分原理和电容滤波电路原理,这些知识还没有得到如此深入的研究,但通过本次设计,但我对这些原则有更深层次的了解,我相信这对我未来的研究有很大帮助.在三端集成稳定器LM317中, 用于电压电路部件, 具有许多性能优势,它给电路设计带来了极大的便利.
该设计的测试结果基本上符合预期的要求,但由于知识有限,设计中必然存在一些错误,还有许多可以进一步改进的地方,希望得到教师和专家的批评的纠正。
2.展望未来
随着科学技术的发展,人民的生活水平不断提高,当今社会已经进入人工智能的时代,这种智慧并不局限于小东西,相反,生活有各种方面,直流稳压电源是生命中的一个小方面,但其作用是不可否认的。很明显,它可以帮助我们在休闲时放松。
设计内容中,主要包括变压器模块 、 整流器模块 、 滤波器模块 、 稳压模块,而且很难实现过滤和稳定压力,电容滤波效果不理想,但是在理论值上,可以达到,经过调试,基本能达到要求。同时在一定程度上反映了时代的发展,科技的进步,虽然这只是智慧时代冰山的顶端,但它所包含的原则是永恒的。我们应该遵循它的原则,思考是否可以用在更广泛的意义上,更好服务于社会,总而言之,它的前景仍然很好,同时相信它也会与时俱进。
3.注意事项
1.密切注意程序代码和装置的匹配,应用于随身携带,一定要调好参数,从而避免因为程序不匹配的原因而导致装置起不到应有的效果。
2.合理考虑设备的更多场景,使创造性更有价值,向用户解释设备的作用,不要造成不必要的麻烦,让参观者感到安全。
3.合理连接电线,防止电线处于更明显的位置,以免用户意外拉到电线时造成电线短路或漏水事故。
六、参考文献
[1] 中国模拟电子技术的基本原理, 高等教育出版社.
[2] 谢嘉奎《电子线路》,高等教育出版社.
[3]谢志: 电子电路设计实验试验, 中国- 中国科技大学出版社.
[4]陈达钦,中国理工大学电子系电子技术基础实验室。
[5]中国成为英语.电子技术[M].北京.中央广播大学出版社,2006年。
[6]徐舒彬.电子技术实验手册.成都:西安大学,2009年10月10日。
[7]赵舒凡等人.电子技术实验与课程设计.北京:清华大学出版社,2006年。
[8] 简化电子技术的基本实验设计与仿真 [ M ]. 浙江大学出版社, 2006.
[9]杨旭东等. 实用电子电路选择 [ M ]. 北京: 化学工业出版社, 2007.
附件
原理图

下载源文件:+-5V DC DC DC电压电源电路 - 其他文档类型资源 - CSDN图书馆
本文由 在线网速测试 整理编辑,转载请注明出处。